Published:2009/6/24 21:19:00 Author:Jessie | From:SeekIC

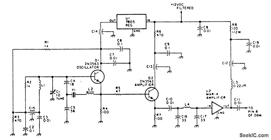
This circuit has an amplifier to supply +10 dBm to an SBL series (Mini-circuits) or similar type doubly-balanced mixer assembly. This circuit has values shown for =80- to 90-MHz crystals, although values of oscillator circuit constants can be scaled for higher or lower frequencies.
Reprinted Url Of This Article:
http://www.seekic.com/circuit_diagram/Audio_Circuit/Mixer/LOCAL_OSCILLATOR_FOR_DOUBLE_BALANCED_MIXERS.html
Print this Page | Comments | Reading(3)
Code: