Published:2009/7/9 3:07:00 Author:May | From:SeekIC






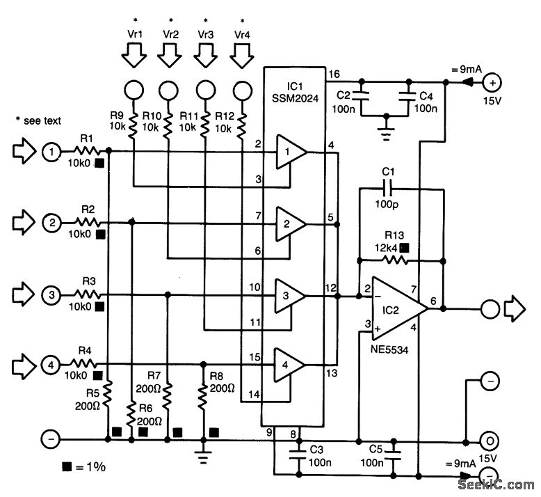
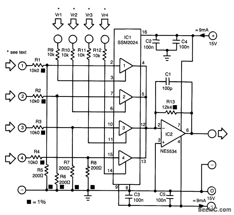
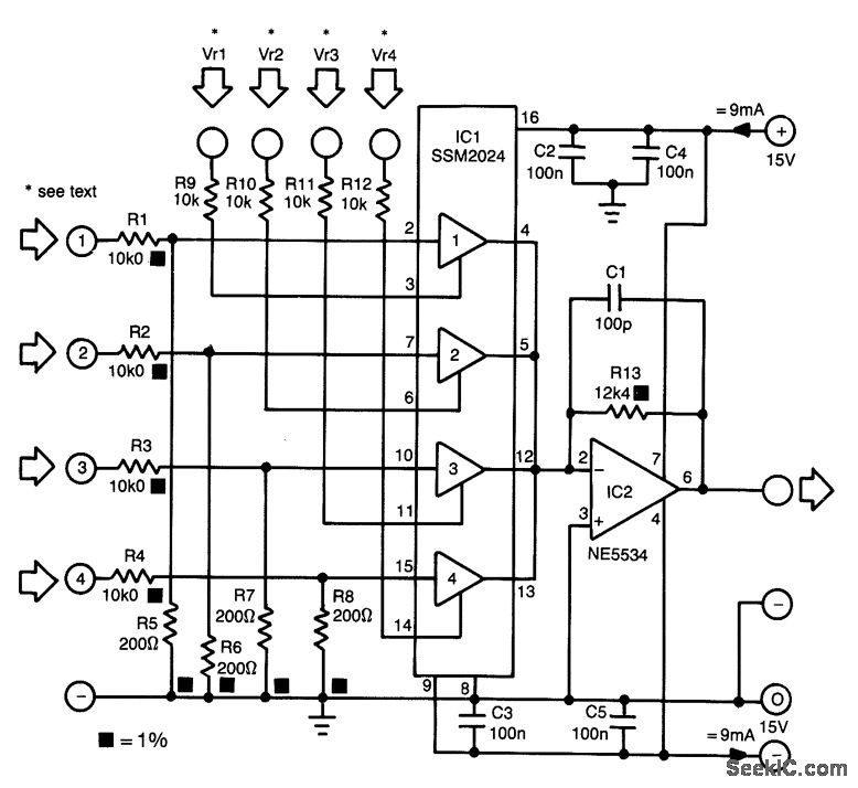
The proposed mixer is designed around four current-driven transconductance amplifiers contained in an SSM2024 from Precision Monolithics. To obtain a low offset and high control rejection, the four inputs should have an impedance to earth of about 200 Ω . These impedances are obtained from resistors R5 through R8, which also form part of a potential divider at each input.With the values in the diagram, the nominal input signal is 1 V (0 dBV). Distortion at that level is about 1%; at lower levels, it is not more than 0.3%.
The amplification of the current-driven amplifiers (CDAs) is determined by the current fed into the control inputs. These inputs form a virtual earth so that calculating the values of the bias resistors (to transform the inputs into voltage-driven inputs) is fairly simple.The output currents of the amplifier are summed by simply linking the output pins. The current-to-voltage convener, IC2, translates the combined output currents into an output voltage. The value of R13 ensures that the amplification of IC2 is unity.
Reprinted Url Of This Article:
http://www.seekic.com/circuit_diagram/Audio_Circuit/Mixer/_4_CHANNEL_MIXERV.html
Print this Page | Comments | Reading(3)
Code: