Published:2009/6/15 3:57:00 Author:May | From:SeekIC

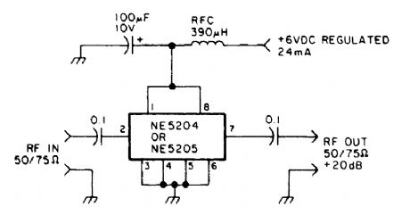
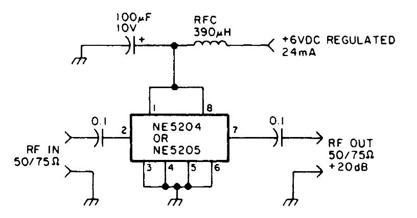
The Signetics NE5204 or NE5205 can be used in this AF to 350-MHz (-30 dB) preamp. If 600MHz @ 3dB is needed, use the NE5205. The noise figure is 4.8dB at 75Ω, 6dB at 50Ω. Gain is approximately +20dB over the passband.
Reprinted Url Of This Article:
http://www.seekic.com/circuit_diagram/Audio_Circuit/Pre_Amplifier/AUDIO_TO_UHF_PREAMP.html
Print this Page | Comments | Reading(3)
Code: