Published:2012/9/10 21:15:00 Author:Ecco | Keyword: Fully adjustable, preamplifier | From:SeekIC

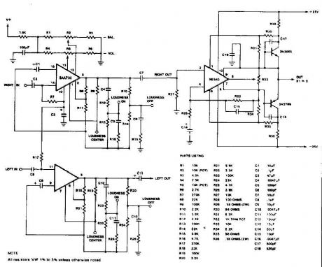
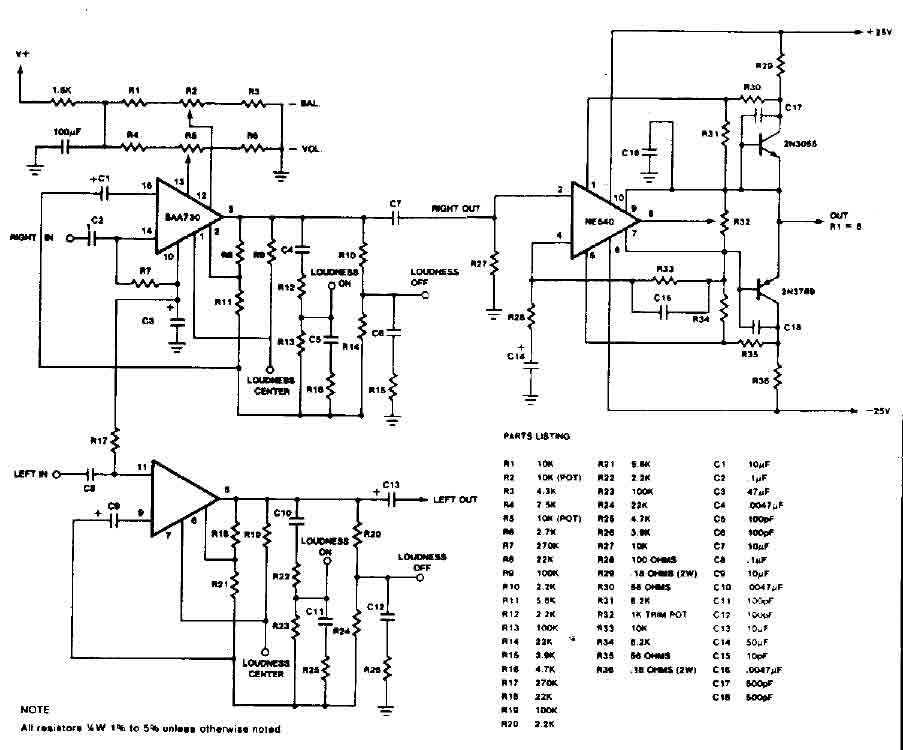
This circuit is a audio preamplifier tha has balance, tone and loudness controls. It should be suitable as an example of good design for audio application. Uses the BAA730 and NE540 chips.
Reprinted Url Of This Article:
http://www.seekic.com/circuit_diagram/Audio_Circuit/Pre_Amplifier/Fully_adjustable_preamplifier.html
Print this Page | Comments | Reading(3)
Code: