Published:2009/6/15 20:57:00 Author:May | From:SeekIC

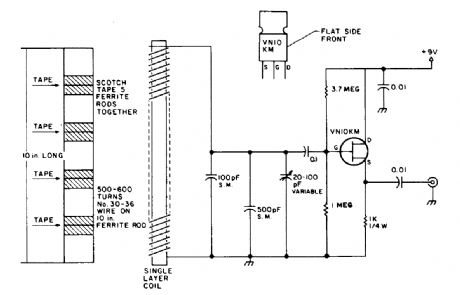
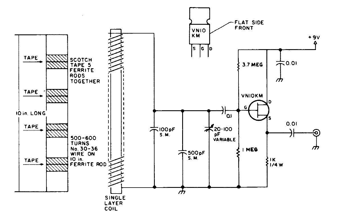
Suitable for 60-kHz standard frequency reception, here is a schematic for a FET preamp and antenna.
Reprinted Url Of This Article:
http://www.seekic.com/circuit_diagram/Audio_Circuit/Pre_Amplifier/VLF_60_kHz_ANTENNA_PREAMP.html
Print this Page | Comments | Reading(3)
Code: