Published:2009/6/15 21:02:00 Author:May | From:SeekIC

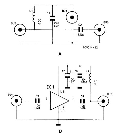
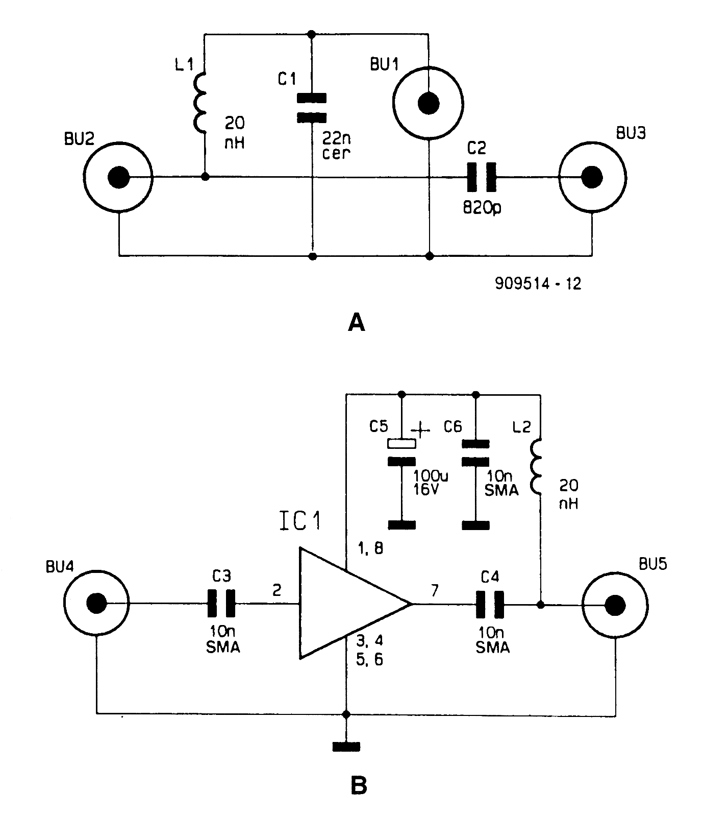
This wideband antenna preamplifier has a gain of around 20 dB from 40 to 860 MHz, covering the entire VHF, FM, commercial, and UHF bands. A phantom power supply provides dc to the preamp via the coaxial cable feeding the unit.
Reprinted Url Of This Article:
http://www.seekic.com/circuit_diagram/Audio_Circuit/Pre_Amplifier/WIDEBAND_ANTENNA_PREAMPLIFIER.html
Print this Page | Comments | Reading(3)
Code: