Published:2009/6/18 23:56:00 Author:May | From:SeekIC

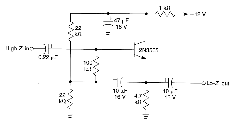
This input circuit will enable use of a high-impedance microphone where a low-impedance microphone would be needed.
Reprinted Url Of This Article:
http://www.seekic.com/circuit_diagram/Audio_Circuit/Speaker/HIGH_IMPEDANCE_MICROPHONE_INPUT_CIRCUIT.html
Print this Page | Comments | Reading(3)
Code: