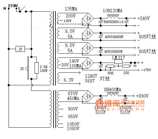
Published:2011/7/18 4:50:00 Author:Felicity | Keyword: 12AU7 +5687 Push, 845 Push-pull, Amplifier Circuit | From:SeekIC

Reprinted Url Of This Article:
http://www.seekic.com/circuit_diagram/Audio_Circuit/Tube_Amplifier/12AU7__5687_Push_845_Push_pull_Amplifier_Circuit.html
Print this Page | Comments | Reading(3)
Code: