Position: Home > Circuit Diagram > Automotive Circuit > >Index 130
Low Cost Custom Prototype PCB Manufacturer

Index 130



Shanghai GM BUICK(Excelle)saloon car carriage body power distribution system circuit diagram(five)

Published:2011/4/18 20:47:00 Author:muriel | Keyword: Shanghai GM BUICK(Excelle), saloon car, carriage body power distribution system

Shanghai GM BUICK(Excelle)saloon car carriage body power distribution system circuit diagram(five)
Figure Shanghai GM BUICK(Excelle)saloon car carriage body power distribution system circuit diagram(five)   (View)

View full Circuit Diagram | Comments | Reading(575)

Shanghai GM BUICK(Excelle)saloon car carriage body power distribution system circuit diagram(four)

Published:2011/4/18 20:46:00 Author:muriel | Keyword: Shanghai GM BUICK(Excelle), saloon car, carriage body power distribution system

Shanghai GM BUICK(Excelle)saloon car carriage body power distribution system circuit diagram(four)
Figure Shanghai GM BUICK(Excelle)saloon car carriage body power distribution system circuit diagram(four)   (View)

View full Circuit Diagram | Comments | Reading(672)

Shanghai GM BUICK(Excelle)saloon car carriage body power distribution system circuit diagram(three)

Published:2011/4/18 20:13:00 Author:muriel | Keyword: Shanghai GM BUICK(Excelle), saloon car , carriage body power distribution system

Shanghai GM BUICK(Excelle)saloon car carriage body power distribution system circuit diagram(three)
Figure Shanghai GM BUICK(Excelle)saloon car carriage body power distribution system circuit diagram(three)   (View)

View full Circuit Diagram | Comments | Reading(652)

Shanghai GM BUICK(Excelle)saloon car carriage body power distribution system circuit diagram(two)

Published:2011/4/18 20:12:00 Author:muriel | Keyword: Shanghai GM BUICK(Excelle), saloon car , carriage body power distribution system

Shanghai GM BUICK(Excelle)saloon car carriage body power distribution system circuit diagram(two)
Figure Shanghai GM BUICK(Excelle)saloon car carriage body power distribution system circuit diagram(two)   (View)

View full Circuit Diagram | Comments | Reading(511)

Shanghai GM BUICK(Excelle)saloon car carriage body power distribution system circuit diagram(one)

Published:2011/4/18 20:11:00 Author:muriel | Keyword: Shanghai GM BUICK(Excelle), saloon car , carriage body power distribution system

Shanghai GM BUICK(Excelle)saloon car carriage body power distribution system circuit diagram(one)
Figure Shanghai GM BUICK(Excelle)saloon car carriage body power distribution system circuit diagram   (View)

View full Circuit Diagram | Comments | Reading(652)

Shanghai GM BUICK(Excelle)saloon car carriage body power distribution system circuit diagram(eight)

Published:2011/4/18 20:49:00 Author:muriel | Keyword: Shanghai GM BUICK(Excelle), saloon car , carriage body power distribution system

Shanghai GM BUICK(Excelle)saloon car carriage body power distribution system circuit diagram(eight)
Figure Shanghai GM BUICK(Excelle)saloon car carriage body power distribution system circuit diagram(eight)   (View)

View full Circuit Diagram | Comments | Reading(394)

Shanghai GM BUICK(Excelle)saloon car lighting system circuit diagram(one)

Published:2011/4/18 20:37:00 Author:muriel | Keyword: Shanghai GM BUICK(Excelle), saloon car, lighting system

Shanghai GM BUICK(Excelle)saloon car lighting system circuit diagram(one)
Figure Shanghai GM BUICK(Excelle)saloon car lighting system circuit diagram(one)   (View)

View full Circuit Diagram | Comments | Reading(750)

Shanghai GM BUICK(Excelle)saloon car lighting system circuit diagram(two)

Published:2011/4/18 20:38:00 Author:muriel | Keyword: Shanghai GM BUICK(Excelle), saloon car , lighting system

Shanghai GM BUICK(Excelle)saloon car lighting system circuit diagram(two)
Shanghai Figure Shanghai GM BUICK(Excelle)saloon car lighting system circuit diagram(two)   (View)

View full Circuit Diagram | Comments | Reading(2414)

Shanghai GM BUICK(Excelle)saloon car lighting system circuit diagram(five)

Published:2011/4/18 20:45:00 Author:muriel | Keyword: Shanghai GM BUICK(Excelle), saloon car, lighting system

Shanghai GM BUICK(Excelle)saloon car lighting system circuit diagram(five)
Figure Shanghai GM BUICK(Excelle)saloon car lighting system circuit diagram(five)   (View)

View full Circuit Diagram | Comments | Reading(443)

Shanghai GM BUICK(Excelle)saloon car lighting system circuit diagram(four)

Published:2011/4/18 20:44:00 Author:muriel | Keyword: Shanghai GM BUICK(Excelle), saloon car, lighting system

Shanghai GM BUICK(Excelle)saloon car lighting system circuit diagram(four)
Figure Shanghai GM BUICK(Excelle)saloon car lighting system circuit diagram(four)   (View)

View full Circuit Diagram | Comments | Reading(565)

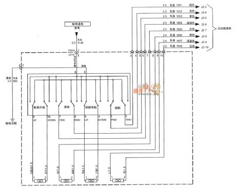
Shanghai GM BUICK(LaCROSSE) saloon car motor-driven seat circuit diagram(three)

Published:2011/4/18 21:09:00 Author:muriel | Keyword: Shanghai GM BUICK(LaCROSSE) , saloon car, motor-driven seat

Shanghai GM BUICK(LaCROSSE) saloon car motor-driven seat circuit diagram(three)
Shanghai GM BUICK(LaCROSSE) saloon car motor-driven seat circuit diagram is as shown   (View)

View full Circuit Diagram | Comments | Reading(627)

Shanghai GM BUICK(Excelle)saloon car lighting system circuit diagram(six)

Published:2011/4/18 20:45:00 Author:muriel | Keyword: Shanghai GM BUICK(Excelle), saloon car, lighting system

Shanghai GM BUICK(Excelle)saloon car lighting system circuit diagram(six)
Figure Shanghai GM BUICK(Excelle)saloon car lighting system circuit diagram(six)   (View)

View full Circuit Diagram | Comments | Reading(1846)

Shanghai GM BUICK(Excelle)saloon car lighting system circuit diagram(seven)

Published:2011/4/18 20:51:00 Author:muriel | Keyword: Shanghai GM BUICK(Excelle), saloon car, lighting system

Shanghai GM BUICK(Excelle)saloon car lighting system circuit diagram(seven)
Figure Shanghai GM BUICK(Excelle)saloon car lighting system circuit diagram(seven)   (View)

View full Circuit Diagram | Comments | Reading(586)

Shanghai GM BUICK(Excelle)saloon car charging system circuit diagram

Published:2011/4/18 20:18:00 Author:muriel | Keyword: Shanghai GM BUICK(Excelle), saloon car , charging system

Shanghai GM BUICK(Excelle)saloon car charging system circuit diagram
Figure Shanghai GM BUICK(Excelle)saloon car charging system circuit diagram   (View)

View full Circuit Diagram | Comments | Reading(1140)

Shanghai GM BUICK(Excelle)saloon car starting system circuit diagram

Published:2011/4/18 20:19:00 Author:muriel | Keyword: Shanghai GM BUICK(Excelle), saloon car , starting system

Shanghai GM BUICK(Excelle)saloon car starting system circuit diagram
Figure Shanghai GM BUICK(Excelle)saloon car starting system circuit diagram   (View)

View full Circuit Diagram | Comments | Reading(2209)

Shanghai GM Chevrolet(Epica)saloon car ZF 4HP-16 type automatic transmission circuit diagram(six)

Published:2011/4/18 20:09:00 Author:muriel | Keyword: Shanghai GM Chevrolet(Epica), saloon car , automatic transmission

Shanghai GM Chevrolet(Epica)saloon car ZF 4HP-16 type automatic transmission circuit diagram(six)
Shanghai GM Chevrolet(Epica)saloon car ZF 4HP-16 type automatic transmission circuit diagram(six)   (View)

View full Circuit Diagram | Comments | Reading(631)

Shanghai GM BUICK(Excelle)saloon car air-conditioning system circuit diagram(one)

Published:2011/4/18 20:15:00 Author:muriel | Keyword: Shanghai GM BUICK(Excelle), saloon car, air-conditioning system

Shanghai GM BUICK(Excelle)saloon car air-conditioning system circuit diagram(one)
Figure Shanghai GM BUICK(Excelle)saloon car air-conditioning system circuit diagram(one)--automatic air condition   (View)

View full Circuit Diagram | Comments | Reading(1952)

Shanghai GM Chevrolet(Epica)saloon car ZF 4HP-16 type automatic transmission circuit diagram(four)

Published:2011/4/18 20:07:00 Author:muriel | Keyword: Shanghai GM Chevrolet(Epica), saloon car, automatic transmission

Shanghai GM Chevrolet(Epica)saloon car ZF 4HP-16 type automatic transmission circuit diagram(four)
Shanghai GM Chevrolet(Epica)saloon car ZF 4HP-16 type automatic transmission circuit diagram(four)   (View)

View full Circuit Diagram | Comments | Reading(950)

Shanghai GM Chevrolet(Epica)saloon car ZF 4HP-16 type automatic transmission circuit diagram(three)

Published:2011/4/18 20:06:00 Author:muriel | Keyword: Shanghai GM Chevrolet(Epica), saloon car, automatic transmission

Shanghai GM Chevrolet(Epica)saloon car ZF 4HP-16 type automatic transmission circuit diagram(three)
Shanghai GM Chevrolet(Epica)saloon car ZF 4HP-16 type automatic transmission circuit diagram(three)   (View)

View full Circuit Diagram | Comments | Reading(2024)

Shanghai GM Chevrolet(Epica)saloon car ZF 4HP-16 type automatic transmission circuit diagram(two)

Published:2011/4/18 20:04:00 Author:muriel | Keyword: Shanghai GM Chevrolet(Epica), saloon car , automatic transmission

Shanghai GM Chevrolet(Epica)saloon car ZF 4HP-16 type automatic transmission circuit diagram(two)
Shanghai GM Chevrolet(Epica)saloon car ZF 4HP-16 type automatic transmission circuit diagram(two)   (View)

View full Circuit Diagram | Comments | Reading(533)

Pages:130/164 At 20121122123124125126127128129130131132133134135136137138139140Under 20