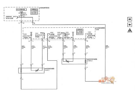
Published:2011/4/20 2:15:00 Author:Robert | Keyword: Shanghai General, Buick, LaCROSSE, 3.0L Engine
View full Circuit Diagram | Comments | Reading(618)
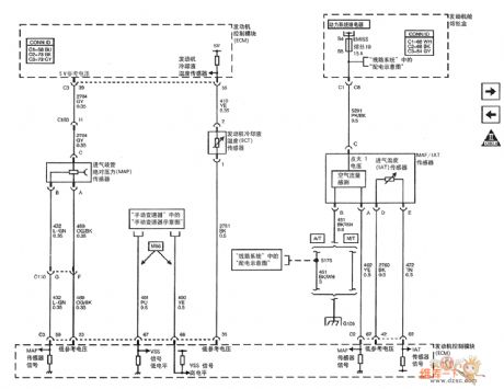
Published:2011/4/20 2:14:00 Author:Robert | Keyword: Shanghai General, Buick, LaCROSSE, 2.4L Engine
View full Circuit Diagram | Comments | Reading(628)
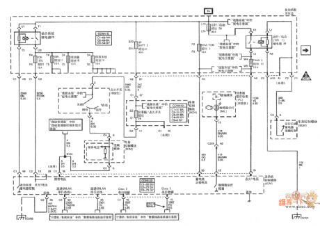
Published:2011/4/20 2:14:00 Author:Robert | Keyword: Shanghai General, Buick, LaCROSSE, 2.4L Engine
View full Circuit Diagram | Comments | Reading(634)
Published:2011/4/20 2:14:00 Author:Robert | Keyword: Shanghai General, Buick, LaCROSSE, 2.4L Engine
View full Circuit Diagram | Comments | Reading(527)
Published:2011/4/19 20:26:00 Author:muriel | Keyword: SHANGHAI GM Chevrolet(Epica), saloon car , air-conditioning system manual control
SHANGHAI GM Chevrolet(Epica)saloon car air-conditioning system manual control circuit diagram(five)
(View)
View full Circuit Diagram | Comments | Reading(1643)
Published:2011/4/19 21:20:00 Author:muriel | Keyword: SHANGHAI GM BUICK(LaCROSSE), saloon car, motor-driven window
SHANGHAI GM BUICK(LaCROSSE) saloon car motor-driven window circuit diagram(three) is as shown
(View)
View full Circuit Diagram | Comments | Reading(799)
Published:2011/4/19 21:29:00 Author:muriel | Keyword: SHANGHAI GM BUICK(Excelle), saloon car , safety belt warning
Figure SHANGHAI GM BUICK(Excelle)saloon car safety belt warning circuit diagram (View)
View full Circuit Diagram | Comments | Reading(443)
Published:2011/4/19 20:42:00 Author:muriel | Keyword: SHANGHAI GM BUICK(Royaum), saloon car, 3.6L engine
Figure SHANGHAI GM BUICK(Royaum)saloon car 3.6L engine circuit diagram(five)--camshaft position sensor (View)
View full Circuit Diagram | Comments | Reading(415)
Published:2011/4/19 21:55:00 Author:muriel | Keyword: SHANGHAI GM BUICK(Excelle), saloon car, remote control gate lock



Figure SHANGHAI GM BUICK(Excelle)saloon car remote control gate lock circuit diagram(two)
(View)
View full Circuit Diagram | Comments | Reading(469)
Published:2011/4/19 21:34:00 Author:muriel | Keyword: SHANGHAI GM BUICK(Excelle), saloon car , remote control gate lock
Figure SHANGHAI GM BUICK(Excelle)saloon car remote control gate lock circuit diagram(one) (View)
View full Circuit Diagram | Comments | Reading(1734)
Published:2011/4/19 21:19:00 Author:muriel | Keyword: SHANGHAI GM BUICK(LaCROSSE), saloon car, motor-driven window
SHANGHAI GM BUICK(LaCROSSE) saloon car motor-driven window circuit diagram(two) is as shown
(View)
View full Circuit Diagram | Comments | Reading(506)
Published:2011/4/19 21:25:00 Author:muriel | Keyword: SHANGHAI GM BUICK(Excelle), saloon car , motor-driven car window
Figure SHANGHAI GM BUICK(Excelle)saloon car motor-driven car window circuit diagram (View)
View full Circuit Diagram | Comments | Reading(661)
Published:2011/4/19 21:28:00 Author:muriel | Keyword: SHANGHAI GM BUICK(Excelle), saloon car , motor-driven gate lock
Figure SHANGHAI GM BUICK(Excelle)saloon car motor-driven gate lock circuit diagram (View)
View full Circuit Diagram | Comments | Reading(537)
Published:2011/4/19 21:22:00 Author:muriel | Keyword: SHANGHAI GM BUICK(LaCROSSE), saloon car, motor-driven window
SHANGHAI GM BUICK(LaCROSSE) saloon car motor-driven window circuit diagram(one) is as shown
(View)
View full Circuit Diagram | Comments | Reading(687)
Published:2011/4/19 21:27:00 Author:muriel | Keyword: SHANGHAI GM BUICK(Excelle), saloon car, motor-driven sunroof
Figure SHANGHAI GM BUICK(Excelle)saloon car motor-driven sunroof circuit diagram (View)
View full Circuit Diagram | Comments | Reading(535)
Published:2011/4/19 21:24:00 Author:muriel | Keyword: SHANGHAI GM BUICK(LaCROSSE), saloon car , tire pressure monitoring system
SHANGHAI GM BUICK(LaCROSSE) saloon car tire pressure monitoring system circuit diagram is as shown
(View)
View full Circuit Diagram | Comments | Reading(842)
Published:2011/4/19 21:57:00 Author:muriel | Keyword: SHANGHAI GM BUICK(Excelle), saloon car , instrument board
Figure SHANGHAI GM BUICK(Excelle)saloon car instrument board circuit diagram(two) (View)
View full Circuit Diagram | Comments | Reading(724)
Published:2011/4/19 21:56:00 Author:muriel | Keyword: SHANGHAI GM BUICK(Excelle), saloon car, instrument board
Figure SHANGHAI GM BUICK(Excelle)saloon car instrument board circuit diagram(one) (View)
View full Circuit Diagram | Comments | Reading(557)
Published:2011/4/19 21:32:00 Author:muriel | Keyword: SHANGHAI GM BUICK(Excelle), saloon car , anti-theft system
Figure SHANGHAI GM BUICK(Excelle)saloon car anti-theft system circuit diagram (View)
View full Circuit Diagram | Comments | Reading(567)
Published:2011/4/19 21:10:00 Author:muriel | Keyword: SHANGHAI GM BUICK(Excelle), saloon car , carriage body control system
SHANGHAI GM BUICK(Excelle)saloon car carriage body control system circuit diagram is as shown
(View)
View full Circuit Diagram | Comments | Reading(546)
| Pages:126/164 At 20121122123124125126127128129130131132133134135136137138139140Under 20 |