© 2008-2012 SeekIC.com Corp.All Rights Reserved.
Published:2011/9/10 22:03:00 Author:Felicity | Keyword: Average temperature measurement circuit, current output, accurate integrated temperature sensor | From:SeekIC





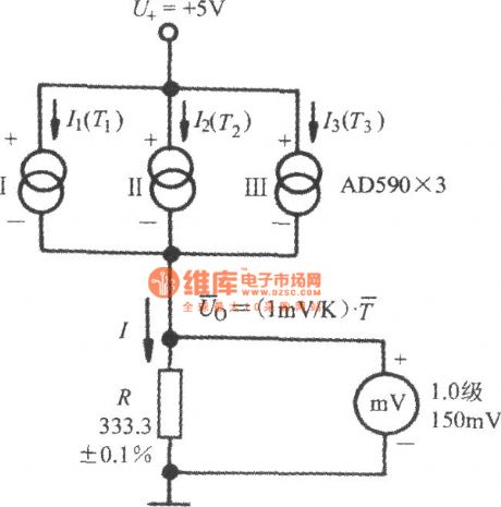
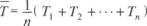
The figure shows the average temperature measurement circuit composed of AD590.The current through R is:.and the indication of the 1.0 millvoltmeter is the average temperature:i.e.Generally, assumed that the number test point is n and then the average temperature is:
Reprinted Url Of This Article:
http://www.seekic.com/circuit_diagram/Basic_Circuit/Analog_Circuit/Average_temperature_measurement_circuit_composed_of_AD590accurate_integrated_temperature_sensor_with_current_output.html
Print this Page | Comments | Reading(3)
Response in 12 hours
© 2008-2012 SeekIC.com Corp.All Rights Reserved.
Code: