Published:2011/3/24 21:59:00 Author:Ecco | Keyword: white LED drive | From:SeekIC

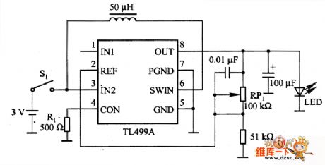
Here is the chart of the white LED drive circuit diagram with TL499A. The voltage of white LED drives is about 3.6V. If supplied common battery, it needs boosting circuitry composing of TL499A. TL499A is a type of adjustable output voltage integrated voltage regulation, and switching (voltage) regulator and linear regulator type can change automaticly when rising in switching (voltage) regulator type and descending in linear regulator type. The input voltage has a wide range of 1·1一10V(the switch works), the maximum is 35V(linear regulator works); the output voltage has a wide range of 2·9一30V, the maximum current is 100mA. In the chart, the working supplied by 2 sections of batteries in series connection, the crest value of switching current Ip of TL449A's pin 4 is about 200mA when R1 is -500 Ω. The resistance is low while the output current is high, Ip will increase simultaneously. RP1 is used as adjusting the output voltage.
Reprinted Url Of This Article:
http://www.seekic.com/circuit_diagram/Basic_Circuit/The_white_LED_drive_circuit_diagram_with_TL499A.html
Print this Page | Comments | Reading(3)
Code: