Position: Home > Circuit Diagram > Basic Circuit > Index 41
Low Cost Custom Prototype PCB Manufacturer

Basic Circuit

Index 41



basic Geiger counter circuit

Published:2013/5/9 21:38:00 Author:muriel | Keyword: basic Geiger counter circuit

basic Geiger counter circuit
  (View)

View full Circuit Diagram | Comments | Reading(833)

A basic Geiger counter circuit

Published:2013/5/9 21:36:00 Author:muriel | Keyword: basic Geiger counter circuit

A basic Geiger counter circuit
The circuit below is designed to achieve low power consumption - less than 1mA - for extended battery operation, while being relatively stable and easy to build. None of the component values are especially critical, and it is possible to use other transformer designs. For best efficiency, the value of oscillator capacitor C3 should be adjusted to resonate the transformer. If you don't have an oscilloscope available to help you with this, you can get a fairly good result by scaling up C3 roughly in proportion with the primary inductance. You can estimate this from the quoted specific inductance of the core, multiplied by the number of primary turns squared. The transformer is probably the trickiest bit to make, but it's worth doing well. You may struggle to find suitable commercial parts with this turns ratio, although it is just about possible to press a small mains transformer into service by using it in reverse. The efficiency will be fairly low, though.   (View)

View full Circuit Diagram | Comments | Reading(1074)

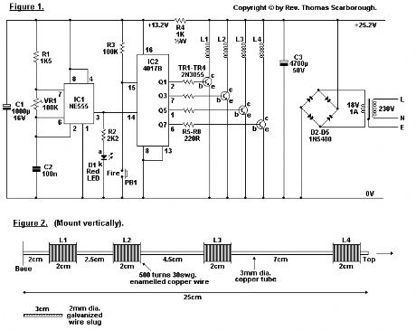
Geiger counter

Published:2013/5/9 21:35:00 Author:muriel | Keyword: Geiger counter

Geiger counter
  (View)

View full Circuit Diagram | Comments | Reading(5535)

4049 Hex Inverting Buffer

Published:2013/5/9 21:34:00 Author:muriel | Keyword: 4049 Hex Inverting Buffer

4049 Hex Inverting Buffer
The circuit is shown in Figure 4. The 4049 Hex Inverting Buffer is set up as a square wave generator. The power MOSFET IRF830 switches the current on and off to the primary windings of the mini step-up transformer. The output of the mini step-up transformer is fed to a voltage doubler consisting of two high voltage diodes D2 and D3 and two high voltage capacitors C4 and C5. The high voltage output from this stage is regulated to 500 volts needed for our GM tube by three zener diodes stacked one on top of the other (D4, D5 and D6). Diodes D5 and D6 are 200V zener diodes and diode D4 is a 100-Volt zener. Together (200 + 200 + 100 = 500), they equal 500 volts. Five hundred volts is the optimum operating voltage for our GM Tube. The 500-volt regulated output is fed to the anode of the GM tube through a current limiting 10 mega-ohm resistor R4. The 10 mega-ohm resistor limits the current through the GM tube and helps quench the avalanched ionization when a radioactive particle is detected. The cathode of the tube is connected to a 470K (R5) resistor. The voltage pulse across R5 generated by the detection of radiation, feeds to the base of a 2N3904 NPN transistor, through a 1-uF capacitor (C6). The NPN transistor clamps the output pulse from the GM tube to Vcc and feeds it to an inverting gate on the 4049. The inverted pulse signal from the gate is a trigger to the 555 Timer. The timer is set up in monostable mode that stretches out the pulse received on its trigger. The output pulse from the timer flashes the LED and outputs an audible click to the speaker via pin 3.   (View)

View full Circuit Diagram | Comments | Reading(1717)

Mercury battery replacement

Published:2013/5/9 21:29:00 Author:muriel | Keyword: Mercury battery replacement

Mercury battery replacement
  (View)

View full Circuit Diagram | Comments | Reading(737)

Pulse width modulation

Published:2013/5/9 21:20:00 Author:muriel | Keyword: Pulse width modulation

Pulse width modulation
  (View)

View full Circuit Diagram | Comments | Reading(680)

Dynamo Current and Voltage Regulator

Published:2013/5/9 21:13:00 Author:muriel | Keyword: Dynamo Current and Voltage Regulator

Dynamo Current and Voltage Regulator
  (View)

View full Circuit Diagram | Comments | Reading(1643)

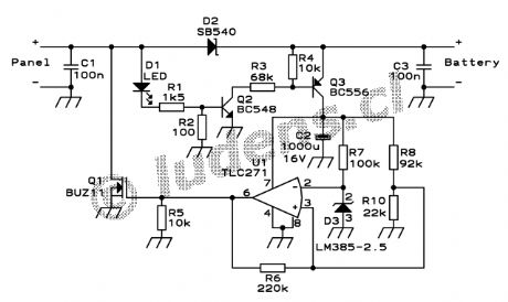
A simple solar panel regulator

Published:2013/5/9 21:12:00 Author:muriel | Keyword: simple solar , panel regulator

A simple solar panel regulator
  (View)

View full Circuit Diagram | Comments | Reading(753)

Resistor Network Solver for the HP-67 Programmable Calculator

Published:2013/5/7 22:05:00 Author:muriel | Keyword: Resistor Network Solver, HP-67 Programmable Calculator

Resistor Network Solver for the HP-67 Programmable Calculator
  (View)

View full Circuit Diagram | Comments | Reading(739)

Orrery

Published:2013/5/7 22:02:00 Author:muriel | Keyword: Orrery

Orrery
  (View)

View full Circuit Diagram | Comments | Reading(847)

Op-Amp Oscillator Design with the HP-67 Programmable Calculator

Published:2013/5/7 22:02:00 Author:muriel | Keyword: Op-Amp Oscillator, HP-67 Programmable Calculator

Op-Amp Oscillator Design with the HP-67 Programmable Calculator
  (View)

View full Circuit Diagram | Comments | Reading(820)

Op-Amp Gain & Offset Design with the HP-67 Programmable Calculator

Published:2013/5/7 22:01:00 Author:muriel | Keyword: Op-Amp Gain & Offset, HP-67 Programmable Calculator

Op-Amp Gain & Offset Design with the HP-67 Programmable Calculator
  (View)

View full Circuit Diagram | Comments | Reading(848)

A HV Arc Circuit

Published:2013/5/7 21:59:00 Author:muriel | Keyword: A HV Arc Circuit

A HV Arc Circuit
  (View)

View full Circuit Diagram | Comments | Reading(1101)

Mini efficient coil launcher from disposable camera flash

Published:2013/5/7 21:59:00 Author:muriel | Keyword: Mini efficient coil launcher, disposable camera flash

Mini efficient coil launcher from disposable camera flash
  (View)

View full Circuit Diagram | Comments | Reading(794)

Marshmallow Bazooka

Published:2013/5/7 21:58:00 Author:muriel | Keyword: Marshmallow Bazooka

Marshmallow Bazooka
  (View)

View full Circuit Diagram | Comments | Reading(872)

Magnetic Gun 2

Published:2013/5/7 21:58:00 Author:muriel | Keyword: Magnetic Gun

Magnetic Gun 2
  (View)

View full Circuit Diagram | Comments | Reading(870)

Low-Sensitivity Sallen-Key Filter Design with the HP-67 Programmable Calculator

Published:2013/5/7 21:52:00 Author:muriel | Keyword: Low-Sensitivity , Sallen-Key Filter , HP-67 Programmable Calculator

Low-Sensitivity Sallen-Key Filter Design with the HP-67 Programmable Calculator
  (View)

View full Circuit Diagram | Comments | Reading(862)

Low-Sensitivity Sallen-Key Filter Design with the HP-41C/CV/CX Programmable Calculator

Published:2013/5/7 21:51:00 Author:muriel | Keyword: Low-Sensitivity, Sallen-Key Filter, HP-41C/CV/CX Programmable Calculator

Low-Sensitivity Sallen-Key Filter Design with the HP-41C/CV/CX Programmable Calculator
  (View)

View full Circuit Diagram | Comments | Reading(730)

homemade "ColdHeat"

Published:2013/5/7 21:50:00 Author:muriel | Keyword: homemade "ColdHeat"

homemade ColdHeat
  (View)

View full Circuit Diagram | Comments | Reading(1310)

Fish Caller 2

Published:2013/5/7 21:48:00 Author:muriel | Keyword: Fish Caller

Fish Caller 2
  (View)

View full Circuit Diagram | Comments | Reading(1078)

Pages:41/471 At 204142434445464748495051525354555657585960Under 20