Published:2011/3/30 1:55:00 Author:Ecco | Keyword: digital circuit, double J - K negative edge , trigger


74 series digital circuit of 74H106 double J - K negative edge trigger(with preset and remove terminal)
Unsteady state. When the preset and remove terminal return in high level, the state could not be kept. And the level of Qo is equal to Q before eatablishing steadystate input. (View)
View full Circuit Diagram | Comments | Reading(639)
Published:2011/3/30 3:03:00 Author:Ecco | Keyword: digital circuit , double J- K negative edge, trigger


74H108 double J- K negative edge trigger(with preset, public clear and clock terminal)
Unsteady state. When the preset and remove terminal return in high level, the state could not be kept. And the level of Qo is equal to Q before eatablishing steadystate input. (View)
View full Circuit Diagram | Comments | Reading(570)
Published:2011/3/30 2:20:00 Author:Ecco | Keyword: digital circuit, double J - K positive edge , trigger
74109,74LS109A, 74F109, 74ALS109, 74HC109double J - K positive edge trigger
Unsteady state. When the preset and remove terminal return in high level, the state could not be kept. And the level of Qo is equal to Q before eatablishing steadystate input. (View)
View full Circuit Diagram | Comments | Reading(2349)
Published:2011/3/25 3:35:00 Author:may | Keyword: bridge input、current excitation
As shown in the diagram, this circuit offer 2mA excitation current to bridge through two current supply IREF1 and IREF2 ( pin 10 and pin 11) inside of the chip, each current supply respectively output 1mA excitation current.
(View)
View full Circuit Diagram | Comments | Reading(744)
Published:2011/3/20 22:45:00 Author: | Keyword: Plastic display drive
View full Circuit Diagram | Comments | Reading(402)
Published:2011/3/31 2:23:00 Author:muriel | Keyword: Audi, saloon car, automatic transmission
Connecting line 58S circuit diagram as shown:
Welcome transshipment, the informations are come from Weiku e-market net( www.dzsc.com).Welcome transshipment, the informations are come from Weiku e-market net( www.dzsc.com). (View)
View full Circuit Diagram | Comments | Reading(901)
Published:2011/3/30 1:47:00 Author:muriel | Keyword: Tianjin VIOS, mobile telephone
Tianjin VIOS mobile telephone circuit diagram as shown:
Welcome transshipment, the informations are come from Weiku e-market net( www.dzsc.com). (View)
View full Circuit Diagram | Comments | Reading(726)
Published:2011/3/30 19:58:00 Author:muriel | Keyword: Tianjin VIOS, skylight , telecontrol rearview mirror
Tianjin VIOS skylight and telecontrol rearview mirror circuit diagram as shown:
Welcome transshipment, the informations are come from Weiku e-market net( www.dzsc.com). (View)
View full Circuit Diagram | Comments | Reading(1007)
Published:2011/3/29 22:19:00 Author:muriel | Keyword: Tianjin VIOS, gate lock , control
Tianjin VIOS gate lock control circuit diagram, as shown:
Welcome transshipment, the informations are come from Weikue-market net(www.dzsc.com). (View)
View full Circuit Diagram | Comments | Reading(736)
Published:2011/3/30 1:44:00 Author:muriel | Keyword: Automobile body , interior light
Figure Automobile body interior light circuit diagram
Welcome transshipment, the informations are come from Weiku e-market net( www.dzsc.com). (View)
View full Circuit Diagram | Comments | Reading(478)
Published:2011/3/30 1:42:00 Author:muriel | Keyword: Speaker
Figure Speaker circuit diagram
Welcome transshipment, the informations are come from Weiku e-market net( www.dzsc.com). (View)
View full Circuit Diagram | Comments | Reading(684)
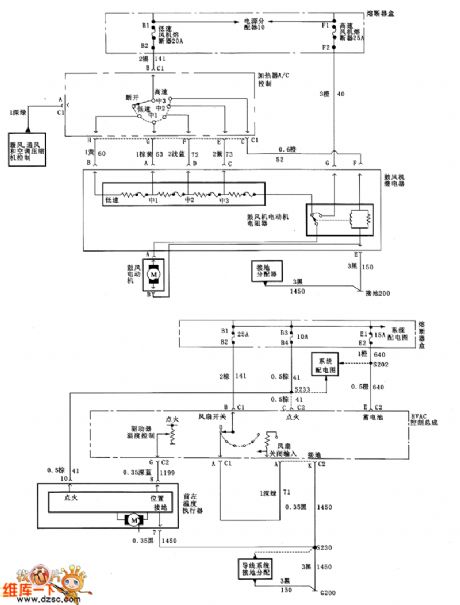
Published:2011/3/30 1:41:00 Author:muriel | Keyword: Buick , air-conditioning system , blower
Figure Buick air-conditioning system blower circuit diagram
Welcome transshipment, the informations are come from Weiku e-market net( www.dzsc.com). (View)
View full Circuit Diagram | Comments | Reading(729)
Published:2011/3/29 22:44:00 Author:muriel | Keyword: Buick , air condition , compressor
Figure Buick air condition compressor circuit diagram
Welcome transshipment, the informations are come from Weiku e-market net( www.dzsc.com). (View)
View full Circuit Diagram | Comments | Reading(516)
Published:2011/3/29 22:15:00 Author:muriel | Keyword: Tianjin VIOS, body light , cigar lighter
Tianjin VIOS body light and cigar lighter circuit diagram, as shown:
Welcome transshipment, the informations are come from Weikue-market net(www.dzsc.com). (View)
View full Circuit Diagram | Comments | Reading(695)
Published:2011/3/29 22:22:00 Author:muriel | Keyword: Buick , air-condition, supply air
Firgue Buick air-condition supply air circuit diagram
Welcome transshipment, the informations are come from Weikue-market net(www.dzsc.com). (View)
View full Circuit Diagram | Comments | Reading(625)
Published:2011/3/29 22:13:00 Author:muriel | Keyword: Tianjin VIOS, steering , hazard warning , speaker
Tianjin VIOS steering and hazard warning speaker circuit diagram, as shown:
Welcome transshipment, the informations are come from Weikue-market net(www.dzsc.com).
(View)
View full Circuit Diagram | Comments | Reading(932)
Published:2011/3/29 22:28:00 Author:muriel | Keyword: Air condition , compressor
Figure Air condition compressor circuit diagram
Welcome transshipment, the informations are come from Weiku e-market net( www.dzsc.com). (View)
View full Circuit Diagram | Comments | Reading(678)
Published:2011/3/29 22:10:00 Author:muriel | Keyword: Tianjin VIOS, taillight , floodlight
Tianjin VIOS taillight and floodlight circuit diagram, as shown:
Welcome transshipment, the informations are come from Weikue-market net(www.dzsc.com). (View)
View full Circuit Diagram | Comments | Reading(1388)
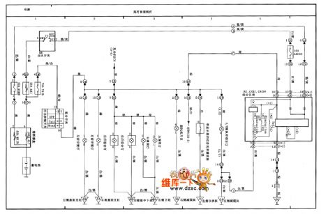
Published:2011/3/29 22:08:00 Author:muriel | Keyword: Tianjin VIOS, Front, rear, fog light
Tianjin VIOS Front and rear fog light circuit diagram, as shown:
Welcome transshipment, the informations are come from Weikue-market net(www.dzsc.com). (View)
View full Circuit Diagram | Comments | Reading(1840)
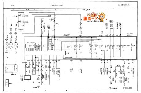
Published:2011/3/29 22:06:00 Author:muriel | Keyword: Tianjin VIOS , combination instrument
Tianjin VIOS combination instrument circuit diagram:
Welcome transshipment, the informations are come from Weikue-market net(www.dzsc.com). (View)
View full Circuit Diagram | Comments | Reading(2362)
| Pages:461/471 At 20461462463464465466467468469470471 |