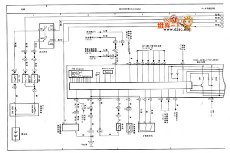
Published:2011/3/29 22:03:00 Author:muriel | Keyword: Tianjin VIOS, combination instrument
Tianjin VIOS combination instrument circuit diagram(first), as shown
Welcome transshipment, the informations are come from Weikue-market net(www.dzsc.com). (View)
View full Circuit Diagram | Comments | Reading(681)
Published:2011/3/30 2:17:00 Author:muriel | Keyword: Time delay circuit diagram , monostable trigger
Time delay circuit with monostable trigger CD4528
(View)
View full Circuit Diagram | Comments | Reading(2863)
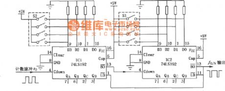
Published:2011/3/29 21:53:00 Author:muriel | Keyword: 1~99 , frequency division, count down
1~99 frequency division(count down) circuit
(View)
View full Circuit Diagram | Comments | Reading(389)
Published:2011/3/30 2:16:00 Author:muriel | Keyword: Time delay circuit diagram , Writing/reading , memory
Time delay circuitwith Writing/reading of memory RAM7489
(View)
View full Circuit Diagram | Comments | Reading(544)
Published:2011/3/30 2:16:00 Author:muriel | Keyword: Time delay circuit diagram(first), comparator
Time delay circuit with comparator 74LS85
(View)
View full Circuit Diagram | Comments | Reading(1325)
Published:2011/3/30 2:16:00 Author:muriel | Keyword: Time delay circuit diagram(second), comparator
Time delay circuit with comparator 74LS85
(View)
View full Circuit Diagram | Comments | Reading(1739)
Published:2011/3/30 2:15:00 Author:muriel | Keyword: Time delay circuit diagram, count/distributor
Time delay circuit diagram with CC4017 count/distributor
(View)
View full Circuit Diagram | Comments | Reading(435)
Published:2011/3/30 2:15:00 Author:muriel | Keyword: Time delay circuit diagram, shift register
Time delay circuit diagram with 74199 shift register
(View)
View full Circuit Diagram | Comments | Reading(1300)
Published:2011/3/30 2:15:00 Author:muriel | Keyword: low level signal , isolated amplifier circuit diagram , isolated amplifier
As shown is low level signal isolated amplifier circuit diagram with isolated amplifier 3656:
(View)
View full Circuit Diagram | Comments | Reading(544)
Published:2011/3/30 2:15:00 Author:muriel | Keyword: Bipolar V/I , isolated, converter circuit diagram, isolated amplifier
As shown is Bipolar V/I isolated converter circuit diagram with isolated amplifier 3656
(View)
View full Circuit Diagram | Comments | Reading(297)
Published:2011/3/30 2:14:00 Author:muriel | Keyword: automatic exposure , integrated, timing, control circuit diagram
SF1212 automatic exposure integrated(timing) control circuit (View)
View full Circuit Diagram | Comments | Reading(478)
Published:2011/3/24 22:05:00 Author:Joan | Keyword: Power modulator
View full Circuit Diagram | Comments | Reading(519)
Published:2011/3/24 1:30:00 Author:Joan | Keyword: displacement transmitter , Capacitive displacement transmitter
Circuit principle: the multivibrator signal is led out by D2 output. When D2 output is high, the monostable circuit is in a steady state, and D3 output, D4 input, D5 output are low voltage. When D2 output is low, the monostable circuit enters into the temporary stable state. When D3 outputs high voltage, it charges Cx through R3 and RP. Meanwhile, D5 outputs a high level into the U-I output stage, and D4 input voltage decreases exponentially with time. When the voltage is lower than D4 threshold level, the output jumps high, and then jump into a low voltage after being inverted by D5. When the square wave D2 outputted jumps high, Cx is then discharging through R3 and RP until D2 becomes high voltage, which completed a one-shot cycle. Waveform in each point is shown in Figure 2. The output pulse width td is proportional to Cx. The voltage, smoothed by R4 and C2, sent to VT base, is amplified and converted into 4 ~ 20mA DC uniform signal. (View)
View full Circuit Diagram | Comments | Reading(815)
Published:2011/3/22 22:45:00 Author:Rebekka | Keyword: 3.3V Voltage output, power supply transforming
3.3V Voltage output power supply transforming circuit diagram is shown as below.
(View)
View full Circuit Diagram | Comments | Reading(875)
Published:2011/3/22 22:45:00 Author:Rebekka | Keyword: 5V Voltage output, power supply transforming
5V Voltage output power supply transformingcircuit diagram is shown as below.
(View)
View full Circuit Diagram | Comments | Reading(644)
Published:2011/3/22 22:42:00 Author:Rebekka | Keyword: Adjustable output, power supply converting
Adjustable output power supply converting circuit diagram is shown as below.
(View)
View full Circuit Diagram | Comments | Reading(715)
Published:2011/3/30 2:24:00 Author:Ecco | Keyword: digital circuit, input J - K , master-slave flip-flop


74110 74F110 input J - K master-slave flip-flop(with data caging function)
Unsteady state. When the preset and remove terminal return in high level, the state could not be kept. And the level of Qo is equal to Q before eatablishing steadystate input.
(View)
View full Circuit Diagram | Comments | Reading(525)
Published:2011/3/30 2:30:00 Author:Ecco | Keyword: digital circuit, double J - K flip-flop
74 series digital circuit of 74111 74F111 double J - K flip-flop(with data caging function)
(View)
View full Circuit Diagram | Comments | Reading(1607)
Published:2011/3/29 22:38:00 Author:Ecco | Keyword: digital circuit , double J - K negative edge , trigger
74LS114A,74F114, 74ALS114, 74S114, 74HC114double J - K negative edge trigger(with preset, public clear and clock terminal)
(View)
View full Circuit Diagram | Comments | Reading(592)
Published:2011/3/29 22:40:00 Author:Ecco | Keyword: digital circuit , four buses buffer door
View full Circuit Diagram | Comments | Reading(1321)
| Pages:462/471 At 20461462463464465466467468469470471 |