Published:2011/5/10 2:20:00 Author:Felicity | Keyword: Circuit, Geminate Transistor, Measured with Junction Field Effect,
The picture above shows the Circuit of Geminate Transistor Measured with Junction Field Effect. (View)
View full Circuit Diagram | Comments | Reading(742)
Published:2011/5/6 0:16:00 Author:Felicity | Keyword: Amplifier Circuit,
The picture above shows the UPC1230H2 Amplifier Circuit. (View)
View full Circuit Diagram | Comments | Reading(4324)
Published:2011/5/5 10:00:00 Author:Felicity | Keyword: 2×15W, Power Amplifier, Hi-Fi Amplifier,
The picture above shows the 2×15W Power Amplifier Circuit Made byIC TDA1521A Hi-Fi Amplifier. (View)
View full Circuit Diagram | Comments | Reading(2567)
Published:2011/5/3 9:31:00 Author:Felicity | Keyword: Power Amplifier Circuit


The picture above shows the TDA8190 Power Amplifier Circuit. (View)
View full Circuit Diagram | Comments | Reading(1423)
Published:2011/5/3 9:30:00 Author:Felicity | Keyword: Power Amplifier Ciecuit
The picture above shows the uPC1241H Power Amplifier Circuit. (View)
View full Circuit Diagram | Comments | Reading(1175)
Published:2011/5/3 8:45:00 Author:Felicity | Keyword: Power Amplifier Circuit
The picture above shows the TDA8192 Power Amplifier Circuit. (View)
View full Circuit Diagram | Comments | Reading(850)
Published:2011/5/3 8:43:00 Author:Felicity | Keyword: Power Amplifier Circuit
The picture above shows the uPC1277H Power Amplifier Circuit. (View)
View full Circuit Diagram | Comments | Reading(1325)
Published:2011/5/3 7:18:00 Author:Felicity | Keyword: Component Capacitors(larger than 100pF) Circuit,
The picture shows the Component Capacitors(larger than 100pF) Circuit. (View)
View full Circuit Diagram | Comments | Reading(723)
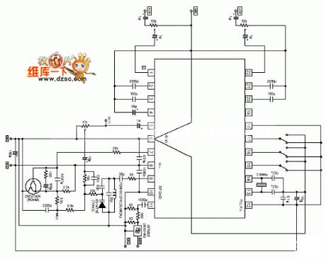
Published:2011/5/3 5:07:00 Author:Felicity | Keyword: Wireless Stereo Speakers Circuit of Pin Function Chart,
The picture above shows the wireless stereo speakers circuit of pin function chart. (View)
View full Circuit Diagram | Comments | Reading(959)
Published:2011/5/3 9:28:00 Author:Felicity | Keyword: Power Amplifier Ciecuit,
The picture above shows the Power Amplifier Circuit about uPC1316C. (View)
View full Circuit Diagram | Comments | Reading(969)
Published:2011/5/3 9:25:00 Author:Felicity | Keyword: Power Amplifier Ciecuit,


The picture above shows the Power Amplifier Circuit Based on TDA2822M. (View)
View full Circuit Diagram | Comments | Reading(1500)
Published:2011/5/3 9:04:00 Author:Felicity | Keyword: Power Amplifier Circuit,
The picture above shows the TDA8196 Power Amplifier Circuit. (View)
View full Circuit Diagram | Comments | Reading(1501)
Published:2011/5/3 9:09:00 Author:Felicity | Keyword: Power Amplifier Principle Circuit
The oicture above shows the Power Amplifier TDA4433 Principle Circuit. (View)
View full Circuit Diagram | Comments | Reading(912)
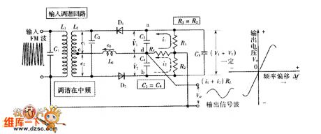
Published:2011/5/1 21:48:00 Author:Felicity | Keyword: Ratio Detection Circuit
View full Circuit Diagram | Comments | Reading(821)
Published:2011/4/24 1:24:00 Author:May | Keyword: dual peripheral driver
SN55476~SN75479 is high voltage, strong current and fast switch time double peripheral drive. Its output current is 300mA, output voltage is high, switch speed is fast, it has output clamp diode, input end with TTL and MOS circuit is consistent, it is very suitable for hammer driver. The connect lineof SN55477 using as lamp driver is shown in the diagram.
(View)
View full Circuit Diagram | Comments | Reading(843)
Published:2011/4/2 1:58:00 Author:may | Keyword: charge management, flow chart
View full Circuit Diagram | Comments | Reading(938)
Published:2011/4/2 3:58:00 Author:Rebekka | Keyword: 3.3v level converting
MP2104 5v Turn to 3.3v level converting circuit diagram is shown as below.
(View)
View full Circuit Diagram | Comments | Reading(1224)
Published:2011/4/2 3:58:00 Author:Rebekka | Keyword: Expanded voltage reduction application
MC34063 Expanded voltage reduction application circuit diagram is shown as below.
(View)
View full Circuit Diagram | Comments | Reading(2518)
Published:2011/4/1 3:30:00 Author:Rebekka | Keyword: three outputs power supply
Composed of MC44603P three outputs power supply circuit diagram is shown as below.
(View)
View full Circuit Diagram | Comments | Reading(4058)
Published:2011/4/1 3:31:00 Author:Rebekka | Keyword: multiplexed output
Composed of MC44605P multiplexed output adopted console power supply circuit diagram is shown as below.
(View)
View full Circuit Diagram | Comments | Reading(865)
| Pages:11/13 12345678910111213 |