Published:2009/6/25 1:43:00 Author:May | From:SeekIC

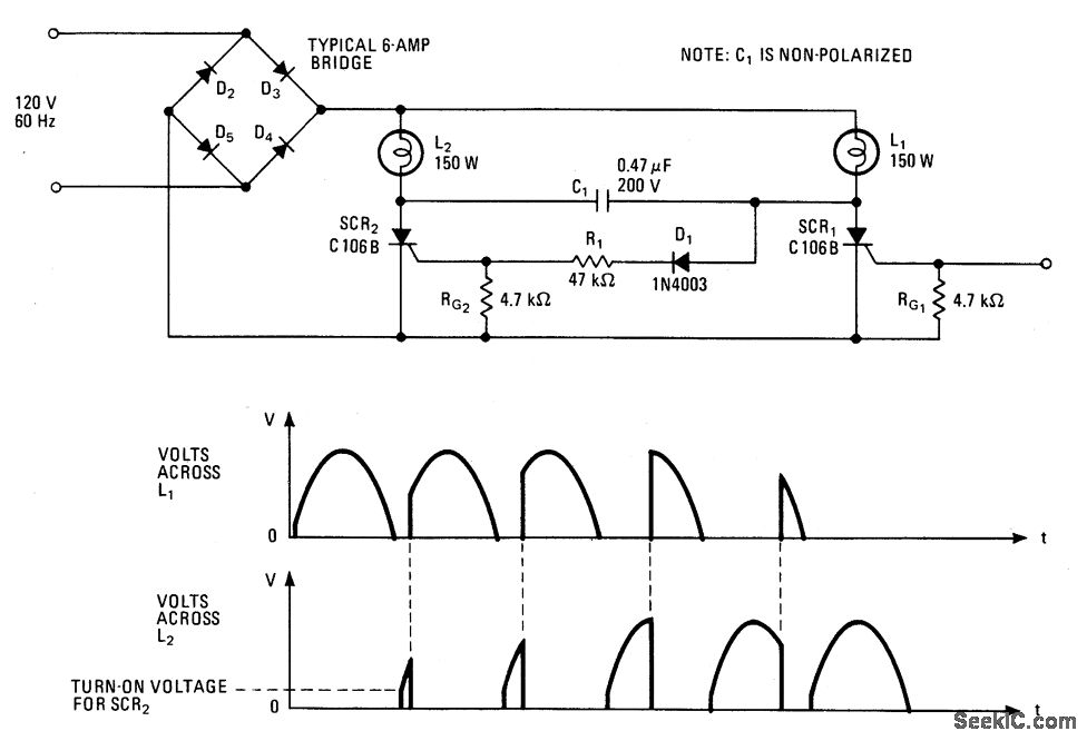
This lighting-control unit will fade out one lamp while simultaneously increasing the light output of another. The two loads track each other accurately without adjustments. The gate of SCR1, a silicon-controlled rectifier, is driven from a standard phase-control circuit, based, for example, on a unijunction transistor or a diac. It controls the brightness of lamp L1 directly. Whenever SCR1 is not on, a small current flows through L1, D1, and R1, permitting SCR2 to fire. When SCR1 turns on, current flow ceases through D1 and R1; the energy stored in C1 produces a negative spike that turns SCR2 off.
Reprinted Url Of This Article:
http://www.seekic.com/circuit_diagram/Control_Circuit/Light_Control/COMPLE_ME_NTARY_LIGHTING_CONTROL.html
Print this Page | Comments | Reading(3)
Code: