About SeekIC | Services | Payment | Advertisements service | Contact Us | Links
© 2008-2012 SeekIC.com Corp.All Rights Reserved.
Published:2011/3/24 21:47:00 Author:may | Keyword: Delay lamp controller | From:SeekIC

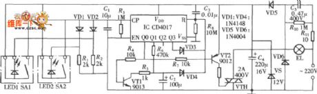
Delay lamp controller circuit composed of CD4017 is shown in the following diagram:
Reprinted Url Of This Article:
http://www.seekic.com/circuit_diagram/Control_Circuit/Light_Control/Delay_lamp_controller_circuit_composed_of_CD4017.html
Print this Page | Comments | Reading(3)
Response in 12 hours
© 2008-2012 SeekIC.com Corp.All Rights Reserved.
Code: