Published:2011/11/9 21:47:00 Author:May | Keyword: Electronic touch dimmer | From:SeekIC

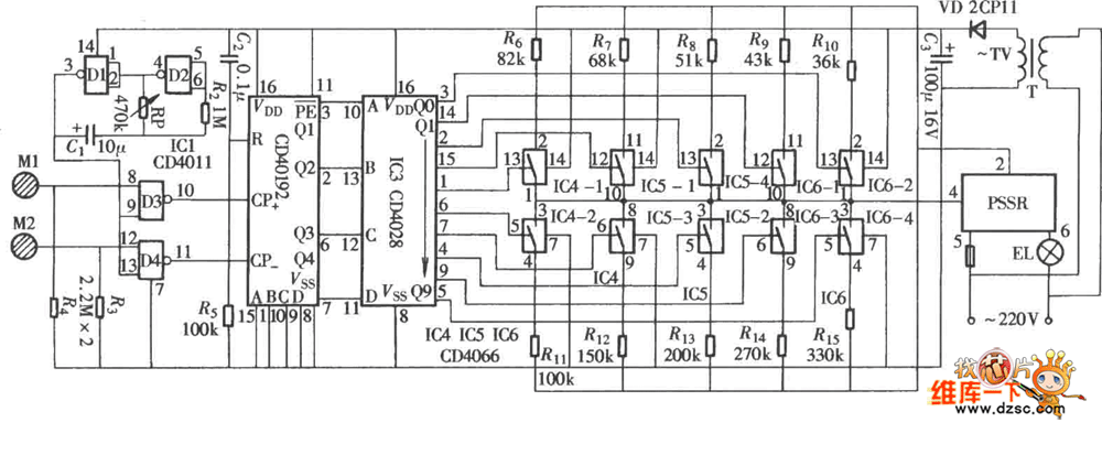
The diagram is touch dimmer which uses a kind of parameters of solid state relays (PSSR) as main control component, and it is not normally used bidirectional thyristor. The light adjusting process uses touching method,and itis convenient, and the circuit is shown in the diagram. This circuit consists of touch control signal input circuit, stepper control pulse generator, pulse / down counter, pulse signal decoding distributor, ten control parameters of solid-state switches and relays, etc.
Reprinted Url Of This Article:
http://www.seekic.com/circuit_diagram/Control_Circuit/Light_Control/Electronic_touch_dimmer_circuit_composed_of_CD4028.html
Print this Page | Comments | Reading(3)
Code: