Published:2011/5/17 8:20:00 Author:Robert | Keyword: Four Line, Light, Control | From:SeekIC

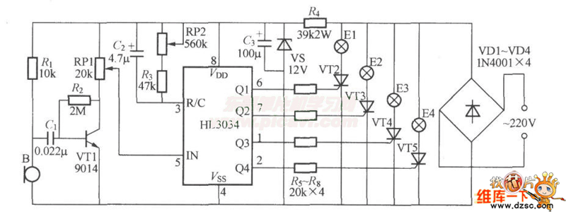
The Four Line Light Control Circuit is shown below.
Reprinted Url Of This Article:
http://www.seekic.com/circuit_diagram/Control_Circuit/Light_Control/Four_Line_Light_Control_Circuit.html
Print this Page | Comments | Reading(3)
Code: