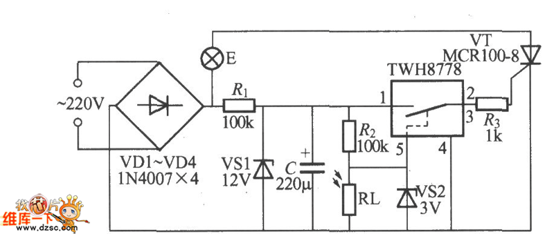
Published:2011/4/26 5:53:00 Author:Robert | Keyword: Light Control, Street Lamp | From:SeekIC


Reprinted Url Of This Article:
http://www.seekic.com/circuit_diagram/Control_Circuit/Light_Control/Light_Control_Street_Lamp_Circuit_Using_TWH8778.html
Print this Page | Comments | Reading(3)
Code: