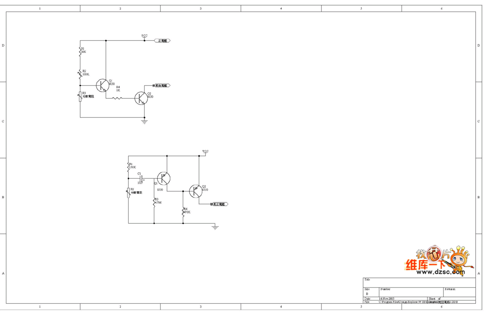
Published:2011/3/20 22:55:00 Author:Ecco | Keyword: Optically controlled circuitry | From:SeekIC

Optically controlled circuitry diagram is as below:
Reprinted Url Of This Article:
http://www.seekic.com/circuit_diagram/Control_Circuit/Light_Control/Optically_controlled_circuitry_diagram.html
Print this Page | Comments | Reading(3)
Code: