Published:2009/6/17 2:33:00 Author:May | From:SeekIC

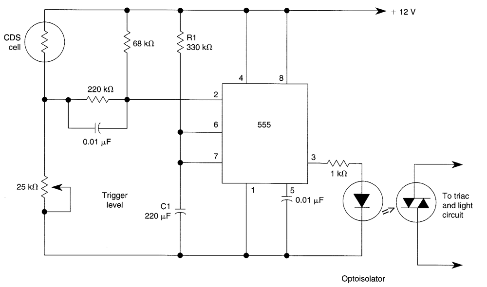
This circuit can control the on/off cycle of a light via a CDS photocell, and turn it off after a pre-set period. The light can only be turned on when CDS cell is in darkness, and it stays on for a time determined by the 555 circuit. On time depends on RI and C1 and is about 80 seconds with the values shown.
Reprinted Url Of This Article:
http://www.seekic.com/circuit_diagram/Control_Circuit/Light_Control/PORCH_LIGHT_CONTROL.html
Print this Page | Comments | Reading(3)
Code: