Published:2011/11/3 0:55:00 Author:May | Keyword: Voice controlling lamp | From:SeekIC

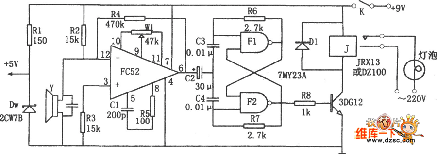
The diagram is voice controlling lamp circuit. This circuit consists of operational amplifier FC52, bi-stable flip-flop, relay J, piezoelectric crystal speaker y. The bi-stable flip-flop consists of double NAND gate TMY23A, when speaker y works, it can change voice signal to electric signal.
When clapping generates voice, Y will change voice signla to electric signal,then it will be added to opposite phase input end of FC52 to be enlarged. After enlarging, the output pulse isadded to bi-stable flip-flop.
Reprinted Url Of This Article:
http://www.seekic.com/circuit_diagram/Control_Circuit/Light_Control/Voice_controlling_lamp_FC52_circuit.html
Print this Page | Comments | Reading(3)
Code: