Published:2009/6/25 21:15:00 Author:Jessie | From:SeekIC

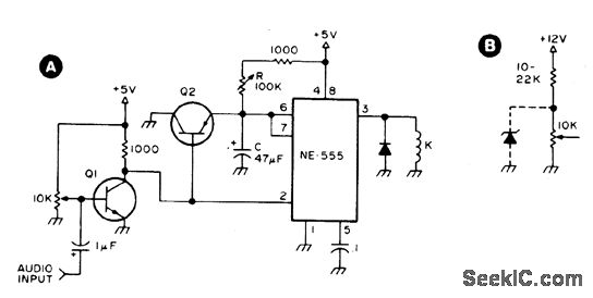
Q1 and Q2 are general purpose transis-tors. The 10 K input pot is adjusted to a point just short of where Q1 turns on as indicated by K pulling in. K is any 5 V reed relay. With the values shown for R (100 K) and C (47 μF), timing values from.05 to slightly over 5 sec-onds can be achieved. B shows the addition o f a 22 K series resistor to the 10 K input pot if a 12 V supply is used. A suitable 12 V reed relay must be used at K.
Reprinted Url Of This Article:
http://www.seekic.com/circuit_diagram/Control_Circuit/Relay_Control/AUDIO_OPERATED_RELAY.html
Print this Page | Comments | Reading(3)
Code: