Published:2009/7/9 0:44:00 Author:May | From:SeekIC

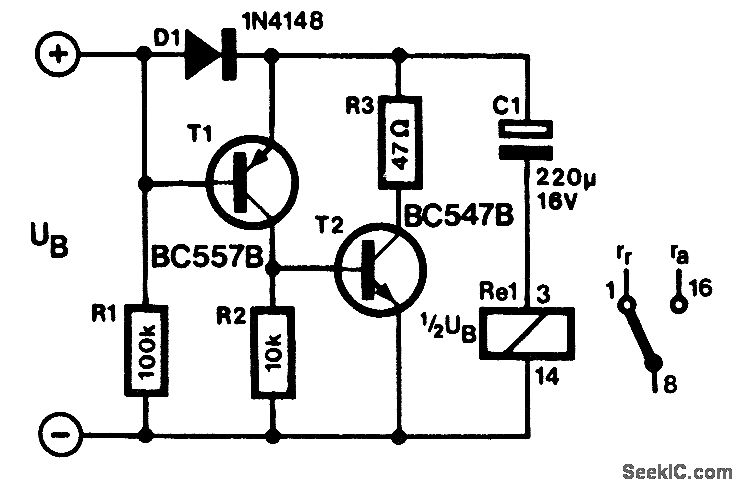
A monostable relay has two states: operative when a large enough current flows through its coil and quiescent when no current flows. A relay contact that assumes a certain position after the supply voltage has been switched on is required in many applications. Of course, many relays operate in that manner.However, most of these relays require an energizing current of 50 mA or more and that normally pre-cludes a battery supply. The circuit presented here, which uses a bistable relay, can solve that problem.The contact of a bistable relay normally remains in the position it is in after the supply is switched off. This circuit, however, makes the bistable relay behave like a monostable type, at a modest current.When the supply voltage is switched on, C1 charges via D1 and the relay coil. The current then flow-ing through the coil causes the relay contact to assume one of two positions. The forward drop across D1 ensures that the base of T1 (in this condition) is more positive than its emitter so that T1, and thus T2, is switched off.When the supply voltage is switched off, the emitter of T1 is connected to the positive terminal of C1, while the base is connected to the negative terminal of the capacitor via R1 and the relay coil. This results in T1, and thus T2, switching on so that C1 discharges via T4 and the relay. The current flows through the relay coil, then ftows in an opposite direction and this causes the contact to change oven The bistable relay thus behaves exactly as a monostable with the advantage, however, that the opera-tional current is determined by R1, which amounts to only 130 μA. To ensure reliable operation, the rating of the relay coil should be 65 to 75% of the supply voltage. In the prototype, a 9-V relay was used with a battery supply voltage of 12 V.
Reprinted Url Of This Article:
http://www.seekic.com/circuit_diagram/Control_Circuit/Relay_Control/LOW_CONSUMPTION_MONOSTABLE_RELAY.html
Print this Page | Comments | Reading(3)
Code: