Published:2011/7/7 21:06:00 Author:Felicity | Keyword: Liquid Level Controller | From:SeekIC

Work of the circuit
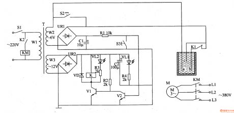
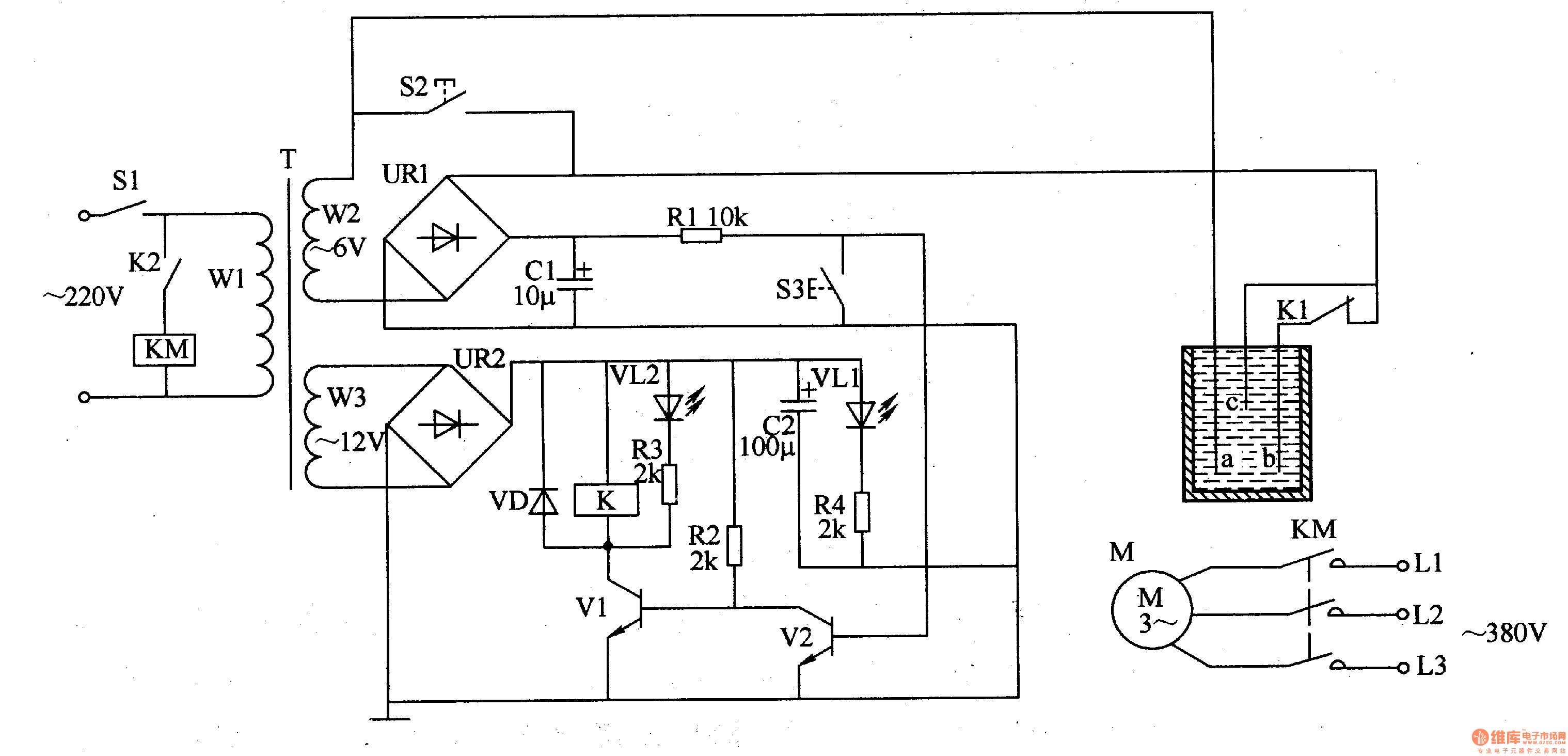
The circuit consists of power circuit and level detection and control circuit. (It is showed in picture 8-99.)
Level detection and control circuit consists of detection electrodes,-c, control buttons S2, S3, resistors Rl-R4, transistor Vl, V2, light-emitting diode VLl, VL2, relay K, AC contactor KM and diode VD.
Reprinted Url Of This Article:
http://www.seekic.com/circuit_diagram/Control_Circuit/Relay_Control/Liquid_Level_Controller_the_1st.html
Print this Page | Comments | Reading(3)
Code: