Published:2009/6/30 2:13:00 Author:May | From:SeekIC

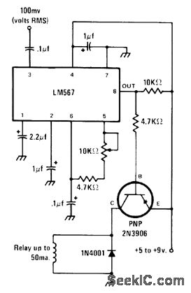
LM567 tone decoder will respond to frequency between 700 and 1500 Hz, determined by setting of 10K pot.When input of 100 mVRMS at preset frequency arrives, output of IC goes low and energizes relay through transistor. Tone can be obtained from audio oscillator or telephone Touch-Tone pad. Relay contacts can be used to turn desired device on or off.-J. A. Sandier, 9 Easy to Build Projects under $9, Modern Electronics, July 1978, p 53-56.
Reprinted Url Of This Article:
http://www.seekic.com/circuit_diagram/Control_Circuit/Relay_Control/TONE_DRIVEN_RELAY.html
Print this Page | Comments | Reading(3)
Code: