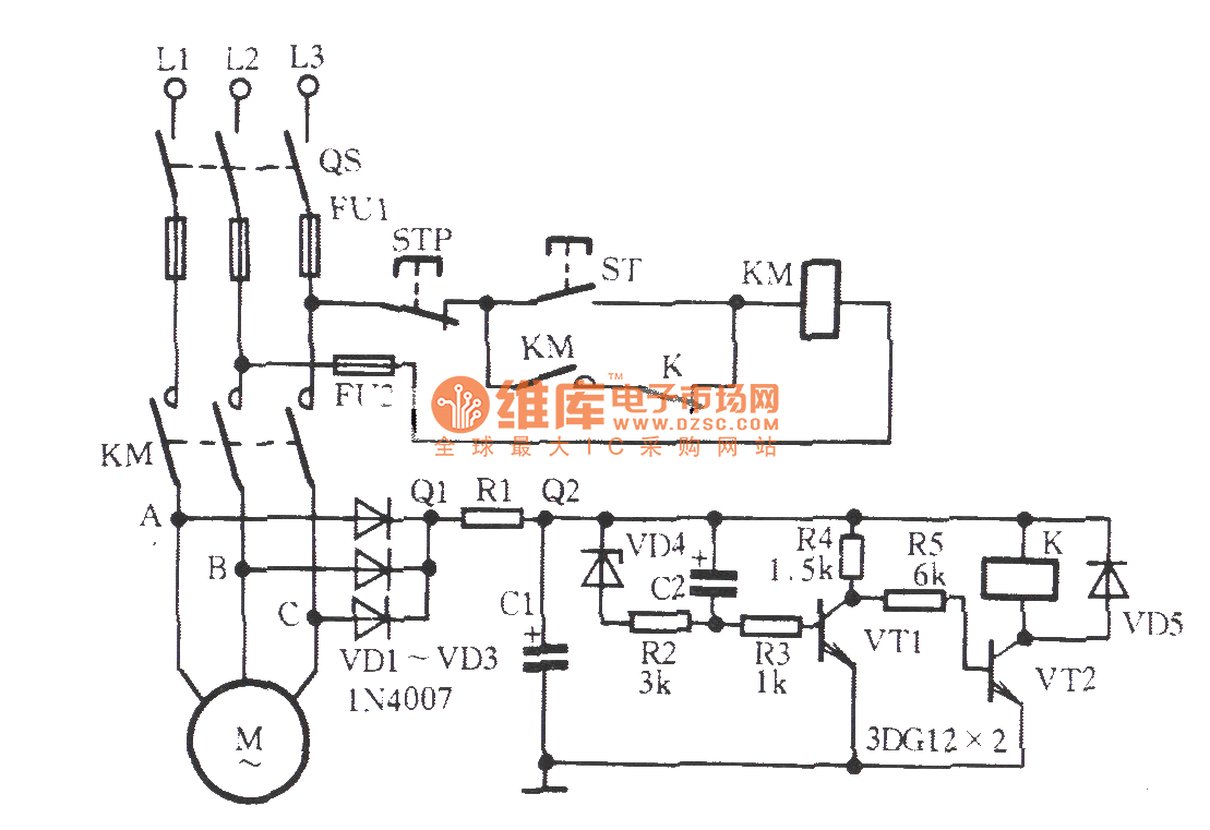
Published:2011/7/10 1:21:00 Author:Lucas | Keyword: VD1, Three-phase motor | From:SeekIC

Reprinted Url Of This Article:
http://www.seekic.com/circuit_diagram/Control_Circuit/Relay_Control/Three_phase_motor_phase_off_protection_circuit.html
Print this Page | Comments | Reading(3)
Code: