Published:2011/7/20 4:45:00 Author:chopper | Keyword: LED sign, decorative light | From:SeekIC

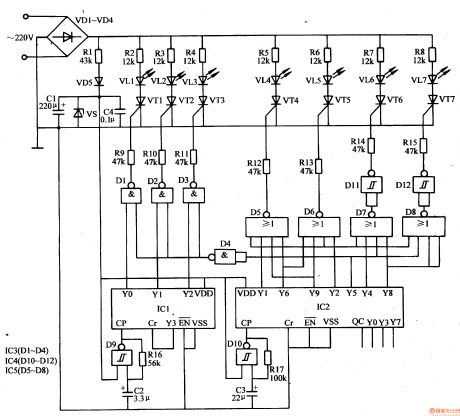
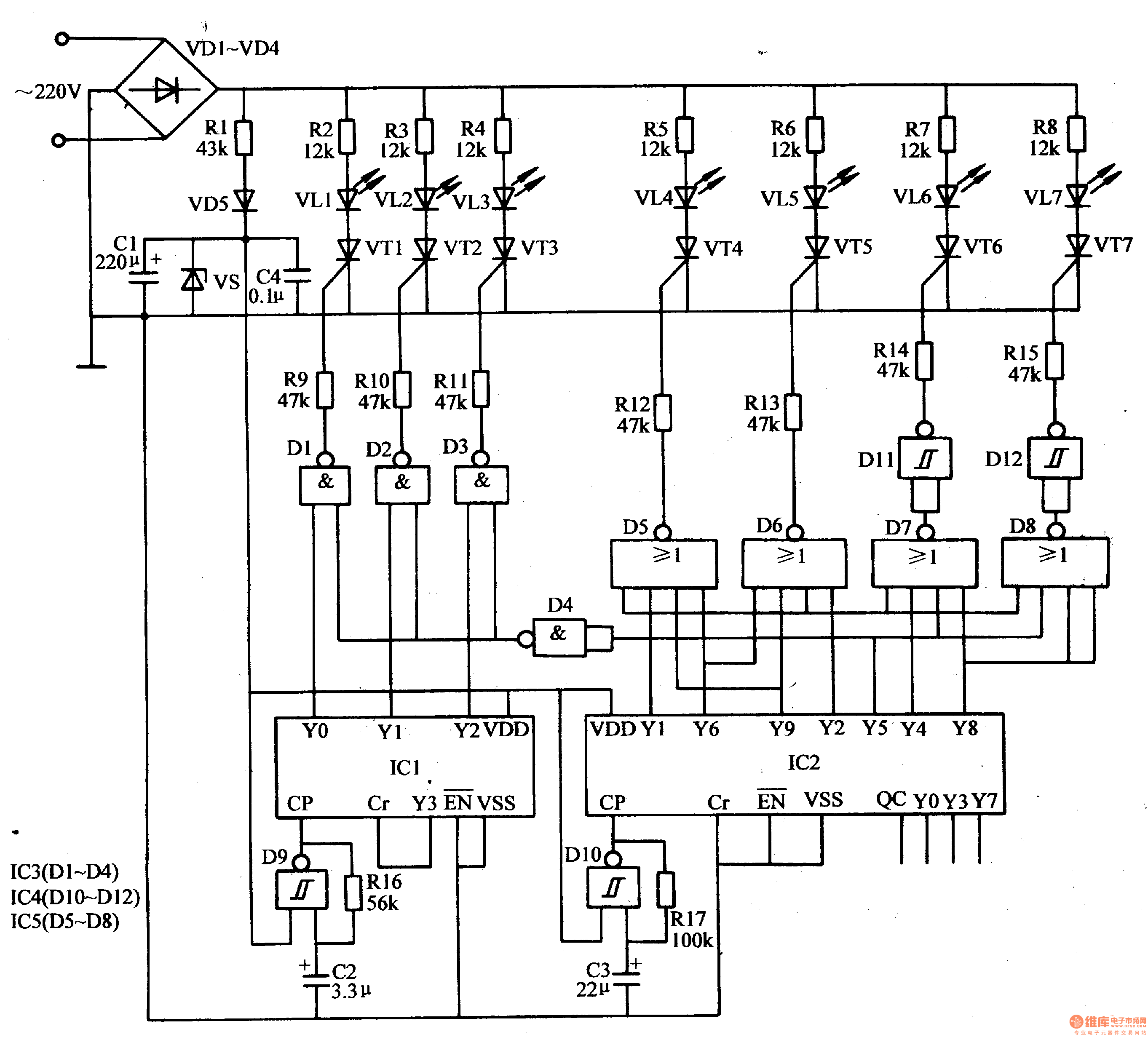
This example describes the LED sign decorative light,which is used to decorate all kinds of doors mark,road sign and emergency exit,fire access and other signs, and it can produce effects like text flashing,border flowing,and it will play a role of eye-catching, decorative effects. The principle of circuitThe LED sign decorative light circuit is formed by the power supply circuit,light flowing control circuit and text flashing control circuit, which is shown in Figure 1-153. Power supply circuit is formed by the rectifiers diodes VD1-VD5, resistor R1, voltage regulator diode VS and filter capacitor C1, C4.
Reprinted Url Of This Article:
http://www.seekic.com/circuit_diagram/Control_Circuit/Staircase_Control/LED_sign_decorative_light1.html
Print this Page | Comments | Reading(3)
Code: