Published:2011/7/20 0:44:00 Author:chopper | Keyword: LED sign, decorative light | From:SeekIC

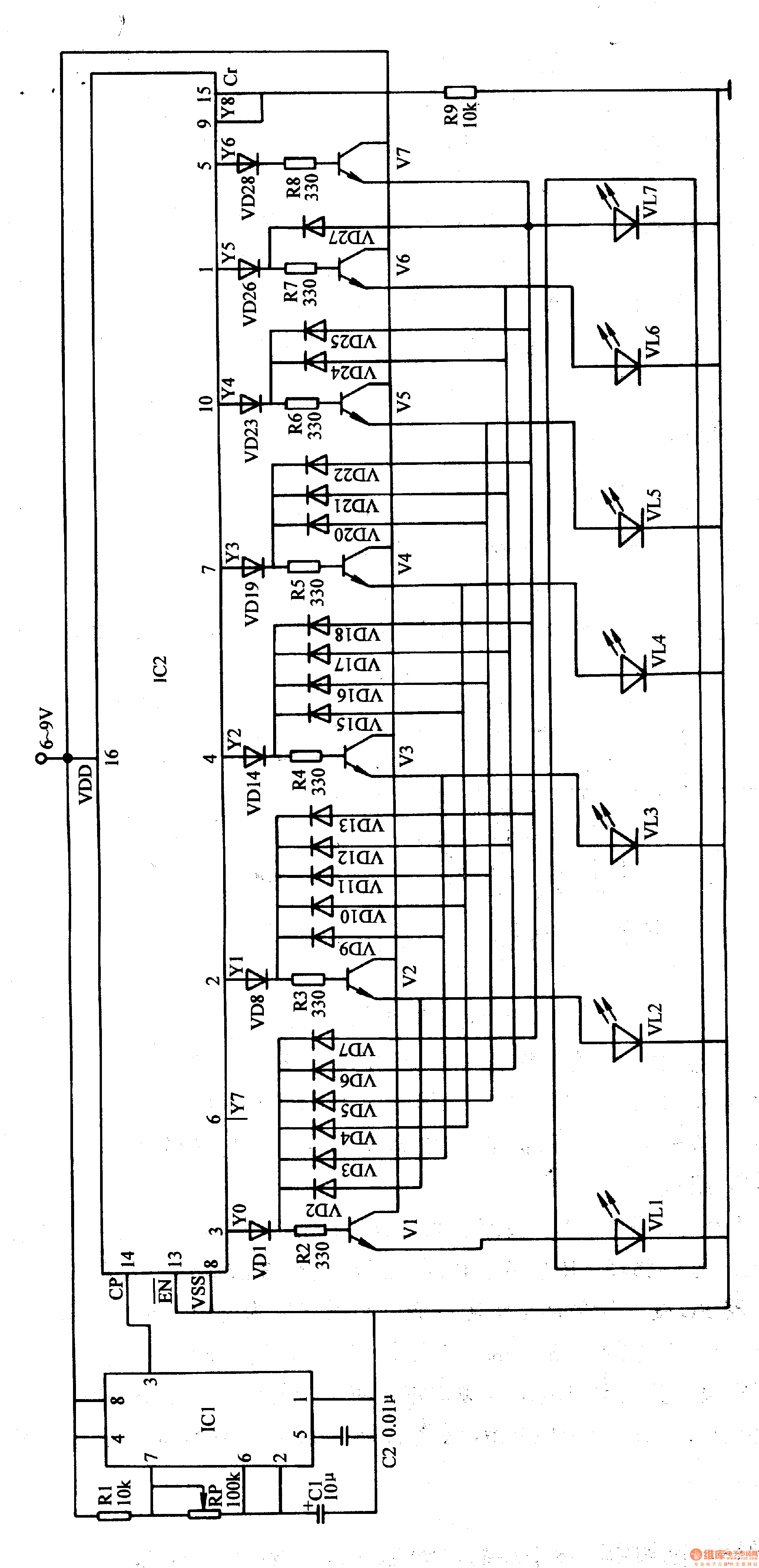
This example describes the LED sign decorative light,which uses some LEDs to form some words(for example, Please don't spit ). When the power is available, the seven characters light up one by one,finally they form Please do not spit , and then seven characters all turn off,then repeat the next cycle. The principle of circuit The LED sign decorative light circuit is formed by the clock generator, count distributor and LED display drive circuit, which is shown in Figure 1-154
Reprinted Url Of This Article:
http://www.seekic.com/circuit_diagram/Control_Circuit/Staircase_Control/LED_sign_decorative_light2.html
Print this Page | Comments | Reading(3)
Code: