Published:2011/7/12 22:29:00 Author:chopper | Keyword: instrument-panel lamp, dimmer | From:SeekIC

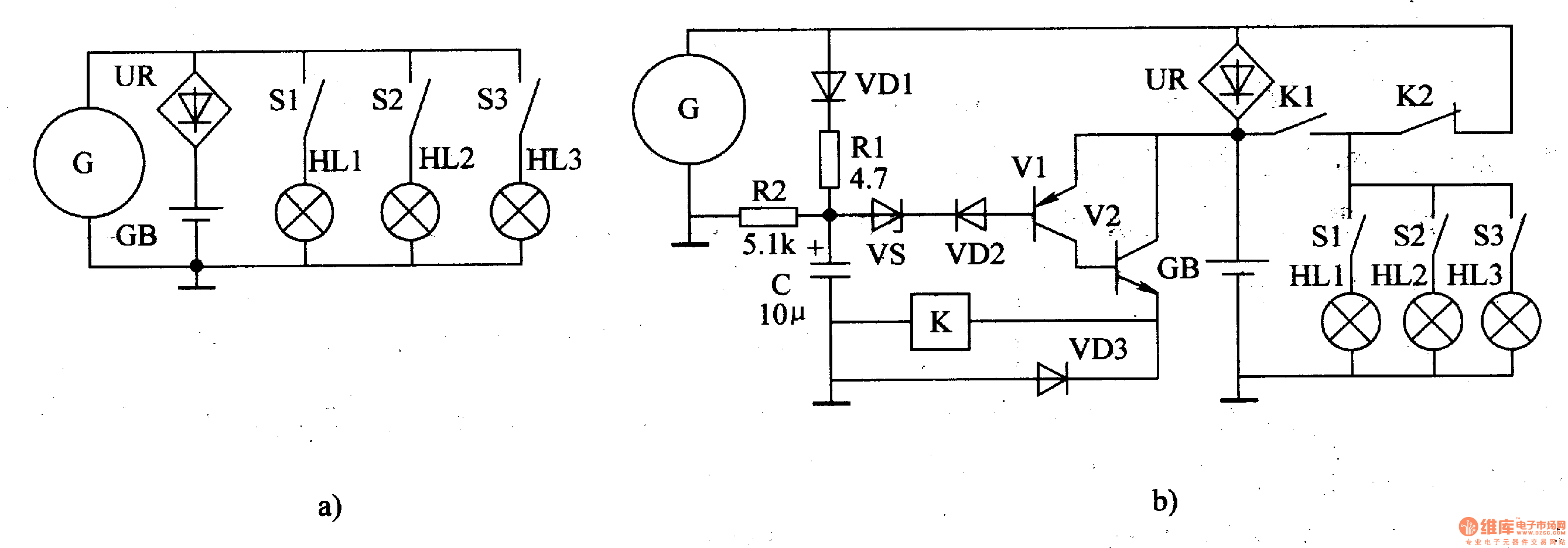
Drivers may feel very harsh at the moment the instrument-panel lamp is open at night.This example describes the instrument-panel lamp dimmer,which can reduce the visual impact of the drives,thereby it can enhance the safety of night driving. The principle of circuitThe instrument-panel lamp dimmer circuit is formed by the voltage regulator circuit,reset circuit,square-wave oscillator,protection circuit and electronic switching circuit,which is shown in figure 7-35. Regulator circuit consists of resistorsR1 and the voltage regulator diode VS. Reset circuit consists of capacitor C1, resistors R3, R4.
Reprinted Url Of This Article:
http://www.seekic.com/circuit_diagram/Control_Circuit/Staircase_Control/instrument_panel_lamp_dimmer.html
Print this Page | Comments | Reading(3)
Code: