Published:2011/7/26 2:42:00 Author:Ecco | Keyword: Electric heating appliance, temperature controller | From:SeekIC

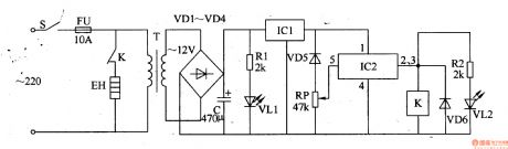
The electric heating apparatus temperature controller circuit is composed of the power supply circuit and temperature detection control circuit, and it is shown in Figure 3-77. Power supply circuit is composed of the power switch S, fuse FU, power transformer T, rectifier diodes VDl-VM, filter capacitor C, three-terminal voltage regulator integrated circuit ICl, current limiting resistor Rl and the power indicator LED VLl. Temperature detection control circuit is composed of the temperature sensing diode VD5, potentiometer RP, electronic switch integrated circuit IC2, relay K, diode VD6, resistor, saturated light-emitting diode VL2.
Reprinted Url Of This Article:
http://www.seekic.com/circuit_diagram/Control_Circuit/Temperature_Control/Electric_heating_appliance_temperature_controller_2.html
Print this Page | Comments | Reading(3)
Code: