Published:2011/4/21 9:52:00 Author:Robert | Keyword: Home, Thermostat | From:SeekIC

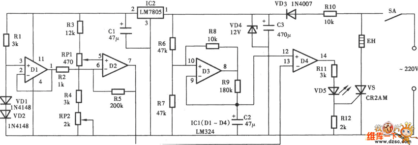
Home Thermostat Control Circuit is shown below:
Reprinted Url Of This Article:
http://www.seekic.com/circuit_diagram/Control_Circuit/Temperature_Control/Home_Thermostat_Control_Circuit.html
Print this Page | Comments | Reading(3)
Code: