© 2008-2012 SeekIC.com Corp.All Rights Reserved.
Published:2011/7/28 21:44:00 Author:Ecco | Keyword: Temperature controller | From:SeekIC

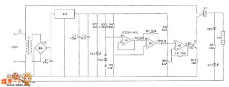
The temperature controller circuit is composed of the power supply circuit, temperature detection control circuit and control implementation circuit, and it is shown as the chart. Power supply circuit is composed of the power switch s, power transformer T, bridge rectifier UR, filter capacitors C1 ~ C3, three-terminal voltage regulator integrated circuit IC1, resistor R2 and power indicator LED VL1. Temperature detection control circuit is composed of the temperature detection diode VD1, resistors R3 ~ R1O, operational amplifier integrated circuit IC2 (N1 ~ N3) and the potentiometer RP. R1 ~ R12 select the 1/4W metal film resistors. RP uses a linear potentiometer. C1 selects the aluminum electrolytic capacitor with voltage in 25V.
Reprinted Url Of This Article:
http://www.seekic.com/circuit_diagram/Control_Circuit/Temperature_Control/Temperature_controller_circuit_diagram_4.html
Print this Page | Comments | Reading(3)
Response in 12 hours
© 2008-2012 SeekIC.com Corp.All Rights Reserved.
Code: