© 2008-2012 SeekIC.com Corp.All Rights Reserved.
Published:2011/7/28 21:46:00 Author:Ecco | Keyword: Temperature controller | From:SeekIC

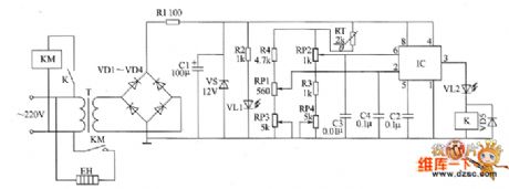
The temperature control circuit is composed of the power supply circuit, temperature detection control circuit and control implementation circuit, and it is shown as the chart. Power supply circuit is composed of the power transformer T, rectifier diodes VD1 ~ VD4, resistors R1 and R2, power indicator LED VL1, filter capacitor C1 and Zener VS and so on. Temperature detection control circuit consists of thermistor RT, time-base integrated circuit IC, potentiometers RP1 ~ RP4, resistor R3 and capacitors C2 ~ C4. Control implementation circuit is composed of the relay K1, LED VL2, diode VD5, AC contactor KM and electric heater EH.
Reprinted Url Of This Article:
http://www.seekic.com/circuit_diagram/Control_Circuit/Temperature_Control/Temperature_controller_circuit_diagram_5.html
Print this Page | Comments | Reading(3)
Response in 12 hours
© 2008-2012 SeekIC.com Corp.All Rights Reserved.
Code: