Published:2009/7/13 1:46:00 Author:May | From:SeekIC

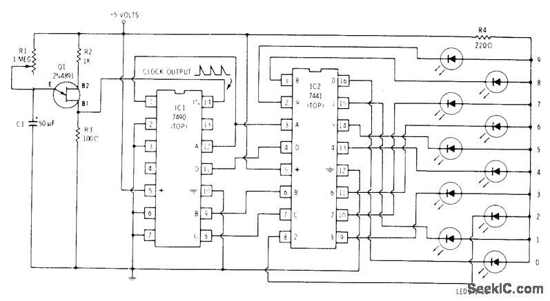
Away of ten LEDs serves for measuring time intervals up to 10 min, for timing phone calls, photographic exposures, and cooking. Pulse output rate of UJT oscillator Q1 is determined by value of C1 and setting of R1. Pulses are counted by 7490 which gives total count in binary form. 7490 recycles after each l0 counts. 7441 converts binary signals from 7490 to decimal outputs driving LED indicators. Each LED glows in sequence as count advances from 0 through 9 and repeats. For 10-pin timer, adiust R1 until first LED stays on for exactly 1 min. For 10-stimer, adiust R1 for blink rate of 1 s per LED.-F. M. Mints, Optoelectronic Proiects, Vol, n, Radio Shack, Fort Worth, TX, 1977, 2nd Ed., p 67-78.
Reprinted Url Of This Article:
http://www.seekic.com/circuit_diagram/Control_Circuit/Time_Control/10_s_TO_10_min.html
Print this Page | Comments | Reading(3)
Code: