Published:2011/8/8 3:27:00 Author:Ecco | Keyword: Cycle timing controller | From:SeekIC

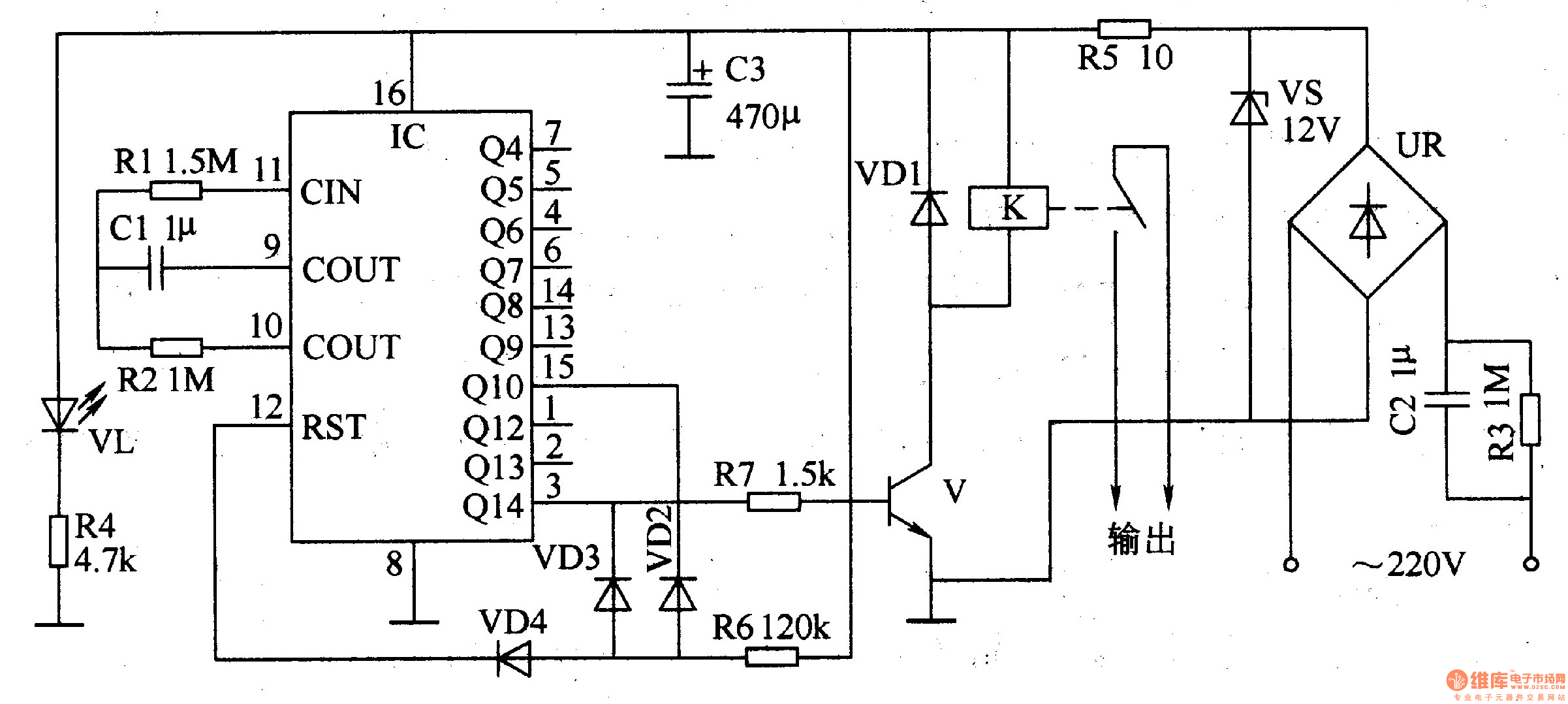
The cycle timing controller circuit is composed of the power supply circuit, timer and control implementation circuit, and it is shown in Figure 3-92. The power supply circuit is composed of the step-down capacitor C2, discharge resistor R3, bridge rectifier UR, voltage regulator diode VS, current limiting resistors R4, R5, filter capacitor C3 and power indicator light-emitting diode VL. The timer circuit consists of the counter / divider integrated circuit IC and resistors Rl, R2, R6, capacitor Cl and diodes VD2-VD4. Rl, R2, Cl and lC form the clock oscillator circuit with the oscillation signal period (T) determining by the value of R2 and Cl.
Reprinted Url Of This Article:
http://www.seekic.com/circuit_diagram/Control_Circuit/Time_Control/Cycle_timing_controller_4.html
Print this Page | Comments | Reading(3)
Code: