© 2008-2012 SeekIC.com Corp.All Rights Reserved.
Published:2011/8/9 20:15:00 Author:Ecco | Keyword: Cycle timing controller | From:SeekIC

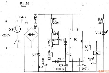
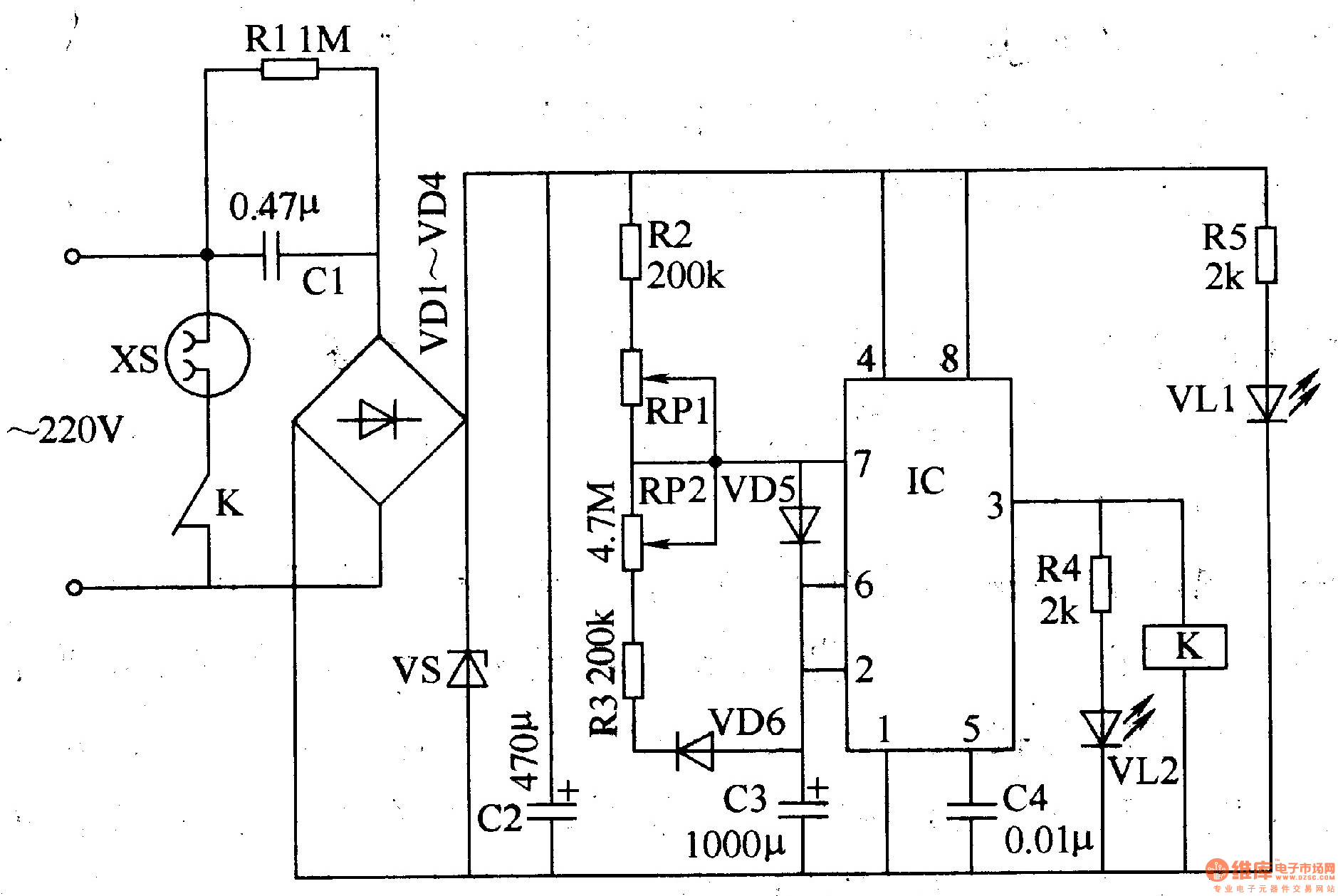
The cycle timing control circuit is composed of the power supply circuit and timing control circuit, and it is shown in Figure 3-93. The power supply circuit is composed of the step-down capacitor Cl, resistors Rl, R5, rectifier diodes VDl-VD4, voltage regulator diode VS, power indicator LED VLl and filter capacitor C2. Timing control circuit consists of the time-base IC, resistors R2-R4, capacitor C3, potentiometers RPl, RP2, diodes VD5, VD6, light-emitting diode VL2 and relay K. Rl selects the 1/2W carbon film resistor; R2-R5 use 1/4W carbon film resistors or metal film resistors. RP1 and RP2 select the small linear synthetic membrane potentiometers.
Reprinted Url Of This Article:
http://www.seekic.com/circuit_diagram/Control_Circuit/Time_Control/Cycle_timing_controller_5.html
Print this Page | Comments | Reading(3)
Response in 12 hours
© 2008-2012 SeekIC.com Corp.All Rights Reserved.
Code: