Published:2009/6/18 2:59:00 Author:May | From:SeekIC


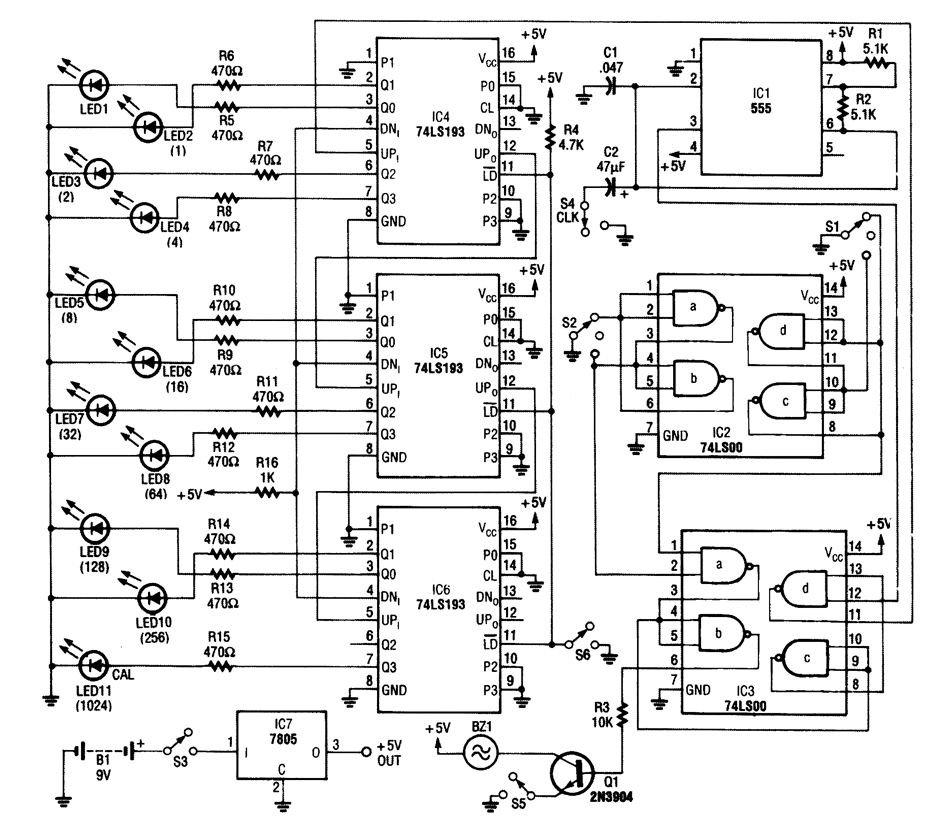
This timer circuit uses a 555IC timer and three 74LS193 counters to drive an LED display. S1 is activated by one person, who tums on piezo buzzer BZ1 via Q1 and also starts the clock; S1 is acti-vated by the other person being timed. This shuts off the timer, and the number of LEDs lit indicate, in binary form, the elapsed time.
Reprinted Url Of This Article:
http://www.seekic.com/circuit_diagram/Control_Circuit/Time_Control/ELECTRONICS_NOW.html
Print this Page | Comments | Reading(3)
Code: