© 2008-2012 SeekIC.com Corp.All Rights Reserved.
Published:2011/8/11 2:42:00 Author:Rebekka | Keyword: High-precision, adjustable digital timer | From:SeekIC



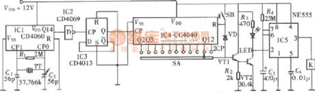
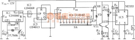
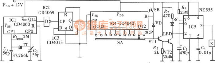
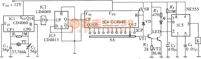
The high precision quartz crystal oscillator is composed of the CD4060 and the 32768 Hz ac quartz crystal. It passes the internal multi-stage and separates frequency output a precise second source. It can form a high precision adjustable digital timer by peripherals multi-stage separate frequency band. It can provide accurate time signal for some instruments, and it can also be used for the precise timing control of equipment. Its componentsare shown in figure.
Reprinted Url Of This Article:
http://www.seekic.com/circuit_diagram/Control_Circuit/Time_Control/High_precision_adjustable_digital_timer_circuit_diagram.html
Print this Page | Comments | Reading(3)
Response in 12 hours
© 2008-2012 SeekIC.com Corp.All Rights Reserved.
Code: