Published:2009/6/22 22:50:00 Author:May | From:SeekIC

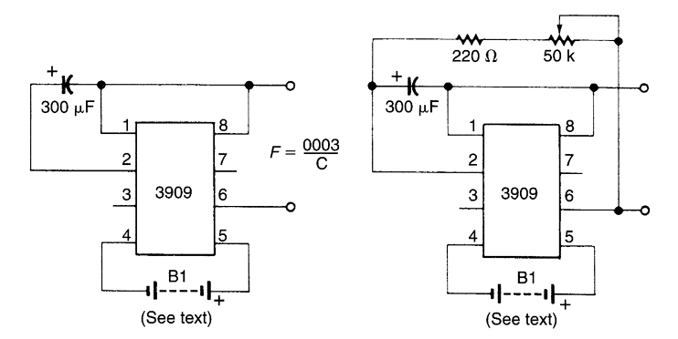
The LM3090 is an LED flasher IC that is designed to oscillate at low frequencies. The clock out-put of the first circuit can be changed by changing the value of the capacitor, and the second circuit lets you adjust the frequency with the trimmer. BI can be one or two alkaline 1.5-V cells. The LM3909 can supply up to 45-mA pulses at greater than 2V.
Reprinted Url Of This Article:
http://www.seekic.com/circuit_diagram/Control_Circuit/Time_Control/LOW_FREQUENCY_CLOCK.html
Print this Page | Comments | Reading(3)
Code: