© 2008-2012 SeekIC.com Corp.All Rights Reserved.
Published:2011/8/8 21:13:00 Author:Ecco | Keyword: Once timer controller | From:SeekIC

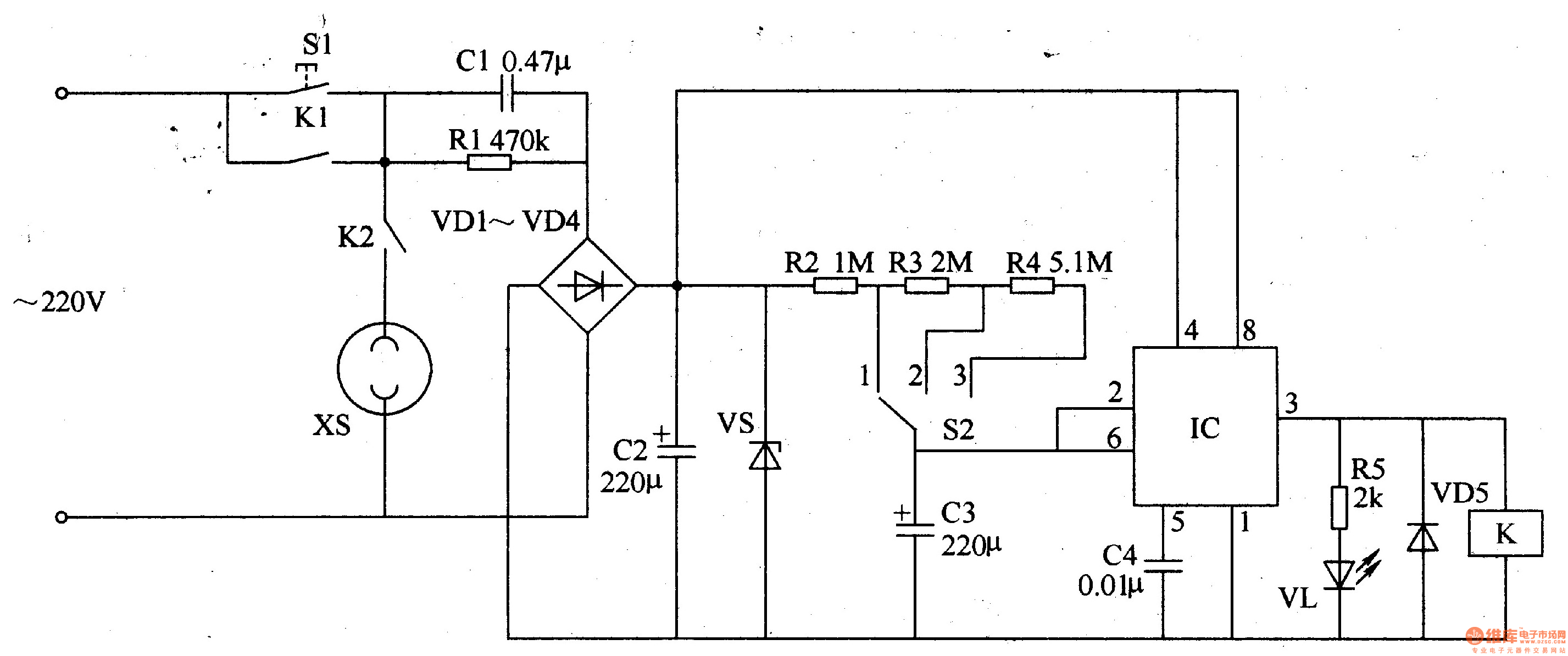
The once timer controller circuit is composed of the power supply circuit and timing control circuit, and it is shown in Figure 3-88. Power supply circuit is composed of the power control button Sl, normally open contact Kl of relay K, buck capacitor Cl, discharge resistor Rl, rectifier diodes VDl-VD4, filter capacitor C2 and zener diode V. Timing control circuit consists of the time-base integrated circuit IC, time delay selection switch S2, resistors R2-R5, capacitors C3, C4, light-emitting diode VL, relay K and diode VD5. Rl select the 1/2W metal film resistor.
Reprinted Url Of This Article:
http://www.seekic.com/circuit_diagram/Control_Circuit/Time_Control/Once_timer_controller_6.html
Print this Page | Comments | Reading(3)
Response in 12 hours
© 2008-2012 SeekIC.com Corp.All Rights Reserved.
Code: