Published:2009/6/29 2:28:00 Author:May | From:SeekIC

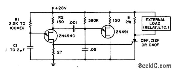
Time delays from 0.3 milliseconds to over three minutes are possible with this circuit without using a tantalum or electrolytic capacitor. The timing interval is initiated by applying power to the circuit. At the end of the timing interval, which is determined by the value of R1C1, the 2N494C fires the controlled rectifier. This places the supply voltage minus about one volt across the load. Load currents are limited only by the rating of the controlled rectifier which is from 1 ampere up to 25 am-peres for the types specified in the circuit. A calibrated potentiometer could be used in place of R1 to permit setting a predetermined time delay after one initial calibration.
Reprinted Url Of This Article:
http://www.seekic.com/circuit_diagram/Control_Circuit/Time_Control/PRECISION_SOLID_STATE_TIME_DELAY_CIRCUIT.html
Print this Page | Comments | Reading(3)
Code: