© 2008-2012 SeekIC.com Corp.All Rights Reserved.
Published:2009/7/8 2:23:00 Author:May | From:SeekIC

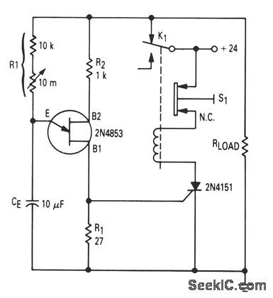
After the first cycle, the relay will normally be energized. When normally closed pushbutton S1 is activated, the SCR turns off, the relay is de-energized, and power is applied to the relaxation oscilla-tor and the load. After a time delay varying from less than a second to approximately 2.5 minutes, as determined by the setting of the 10-MΩ potentiom-eter, the unijuction will fire and turn on the SCR. The relay will energize until power is removed from the oscillator and the load, and will stay energized until button S1 is pushed again. The UJT trigger output from base 1 directly drives the gate of the SCR. However, where isolation between the UJT trigger or any other type of trigger and the thyristor power circuit is required, then a simple pulse trans-former, interfacing the two elements, will suffice.
Reprinted Url Of This Article:
http://www.seekic.com/circuit_diagram/Control_Circuit/Time_Control/SIMPLE_TIME_DELAY.html
Print this Page | Comments | Reading(3)
Response in 12 hours
© 2008-2012 SeekIC.com Corp.All Rights Reserved.
Code: