Published:2009/6/18 3:02:00 Author:May | From:SeekIC

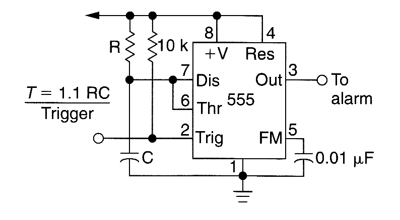
Rotating the potentiometer wiper will change the time delay from the 555 IC.
Reprinted Url Of This Article:
http://www.seekic.com/circuit_diagram/Control_Circuit/Time_Control/SIMPLE_TIME_DELAY_CIRCUIT.html
Print this Page | Comments | Reading(3)
Code: