Published:2011/4/27 6:42:00 Author:Robert | Keyword: Simple Timer | From:SeekIC

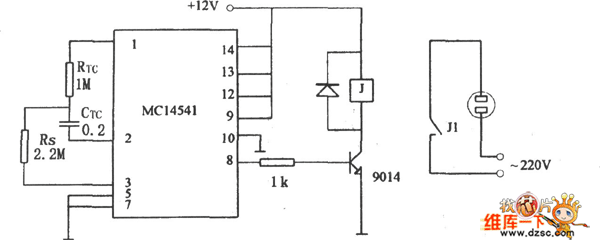
A Simple Timer Circuit conposed of MC14541 is shown below. This Circuit is a simple timing circuit using the IC MC14541. As the parameters shown in the picture, the circuit will time 3 hours, you could choose differential RTC,CRC or Rs value, to get the control of timing you need.
Reprinted Url Of This Article:
http://www.seekic.com/circuit_diagram/Control_Circuit/Time_Control/Simple_Timer_Circuit_Composed_Of_MC14541.html
Print this Page | Comments | Reading(3)
Code: