Published:2009/6/18 3:11:00 Author:May | From:SeekIC

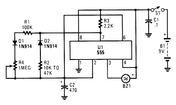
The circuit is built around a 555 oscillator/ timer. The circuit provides two time periods. The long-running time period is adjustable from about 1 to 10 minutes, and the short time period is pre-set to about three seconds.
Here's how the dual timer operates. When the power is switched on, C2 begins to charge through R3, R1, Dl, and R4 to start the long-term timer period. When the voltage across C2 reaches the 555's internal switching point, the long-term timer times out, discharging C2 throughR2, D2, and pin7 ofthe 555. Duringthat time, pin 3 of the 555 is pulled to ground, acti-vating the piezo sounder.To set the short time period to about four seconds, use a 10 k resistor for R2, and for about twenty seconds use a 47 k resistor. The timing capacitor, C2, should be a good-quality, low-leakage unit.
Reprinted Url Of This Article:
http://www.seekic.com/circuit_diagram/Control_Circuit/Time_Control/TELE_TIMER.html
Print this Page | Comments | Reading(3)
Code: