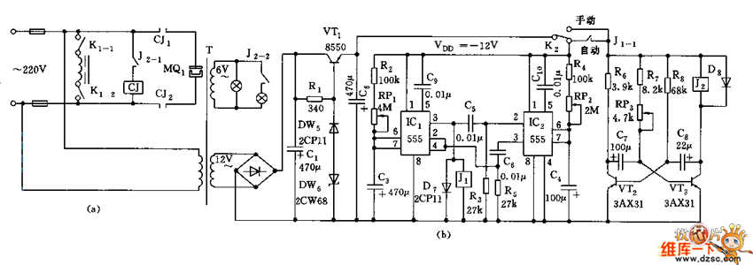
Published:2011/10/17 1:40:00 Author:Ecco | Keyword: Timing control , vibrator | From:SeekIC

Reprinted Url Of This Article:
http://www.seekic.com/circuit_diagram/Control_Circuit/Time_Control/Timing_control_circuit_diagram_of_vibrator.html
Print this Page | Comments | Reading(3)
Code: