© 2008-2012 SeekIC.com Corp.All Rights Reserved.
Published:2011/7/26 2:04:00 Author:Ecco | Keyword: Timing controller | From:SeekIC

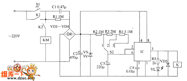
The timing controller circuit is composed of the power supply circuit and timing control circuit, and it is shown as the chart. Power supply circuit is composed of the power control button S1, normally open contact K1 of relay K, buck capacitor C1, discharge resistor R1, rectifier diodes VD1 ~ VD4, filter capacitor C2 and zener diode VS. Timing control circuit is composed of the time-base integrated circuit IC, delaying time selection switch S2, resistors R2 ~ R5, capacitors C3, C4, light-emitting diode VL, relay K and diode VD5.
Reprinted Url Of This Article:
http://www.seekic.com/circuit_diagram/Control_Circuit/Time_Control/Timing_controller_circuit_diagram_3.html
Print this Page | Comments | Reading(3)
Response in 12 hours
© 2008-2012 SeekIC.com Corp.All Rights Reserved.
Code: